Fuel Injection

Fuel Injection
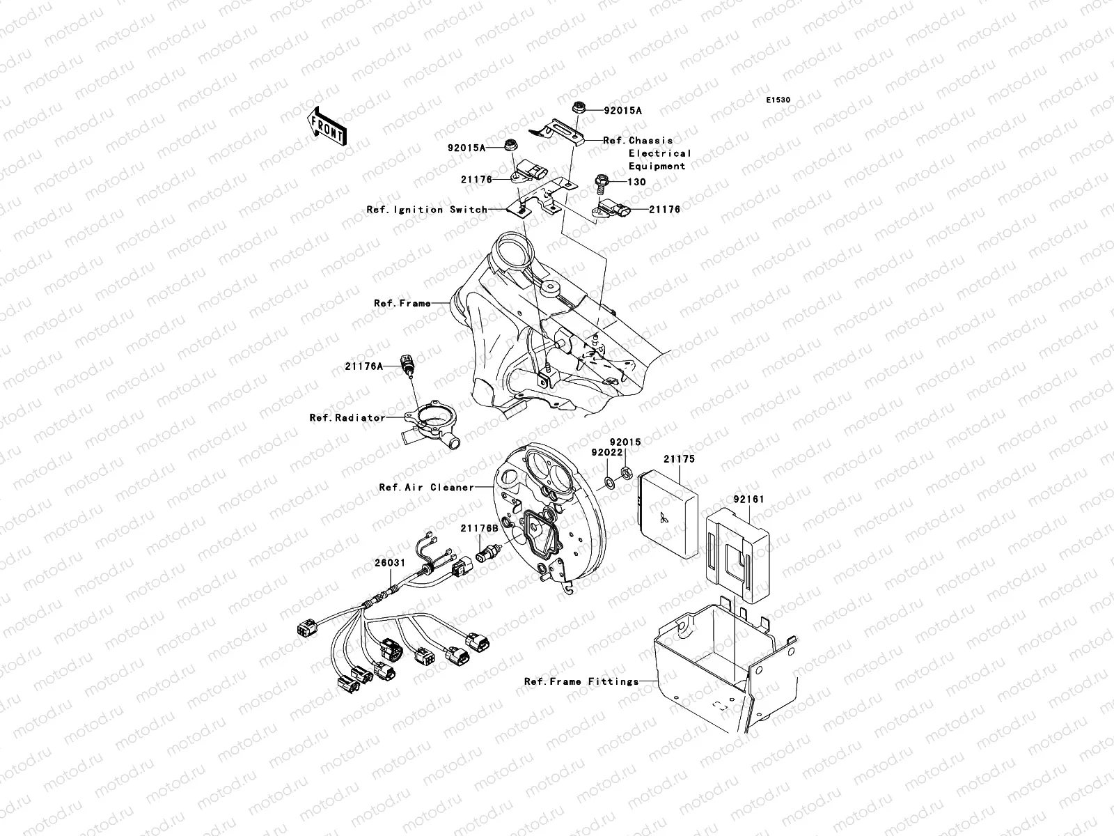
130
130BB-0614
Vis
113 ₽
21175
21175-1100
CONTROL UNIT-ELECTRON
121 645 ₽
21176
21176-0058
SENSOR IAPS
9 896 ₽
21176
21176-1085
Water temperature switch
4 772 ₽
21176
21176-1086
SENSOR,AIR TEMPERATUR
4 418 ₽
26031
26031-0300
HARNESS
12 800 ₽
92015
92015-1395
Nut (12 mm)
Цена по
запросу
92015
92015-1603
NUT
274 ₽
92022
92022-269
WASHER,PLAIN
338 ₽
92161
92161-1210
Damper
1 687 ₽

Узлы для