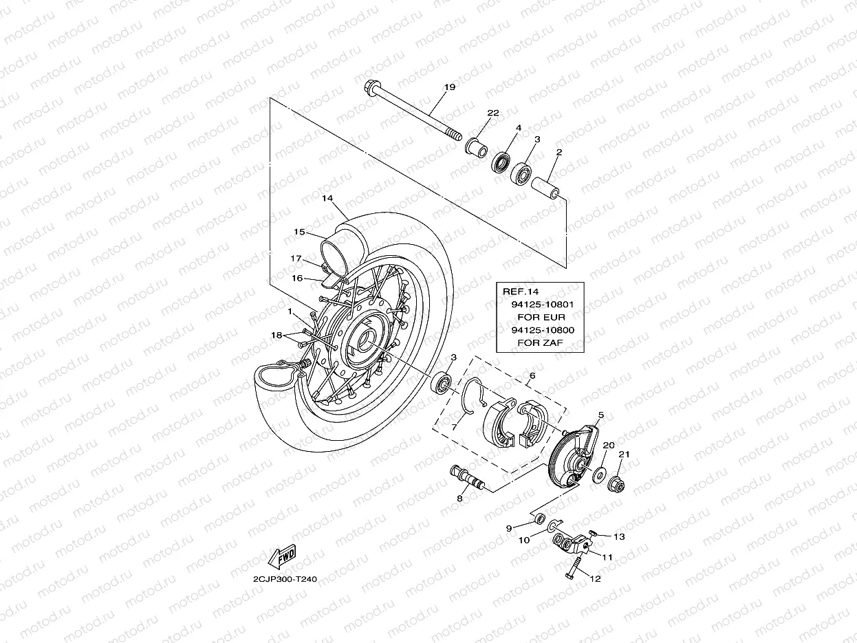
ПЕРЕДНЕЕ КОЛЕСО для TT-R50E (BEG3) 2020 YAMAHA TT-R 50

FRONT WHEEL
1
1P6-F5111-00
Ступица колеса
14 807 ₽
2
90387-12830
Втулка
461 ₽
3
93306-201X1
Подшипник
1 907 ₽
4
93106-20811
Сальник
461 ₽
5
2CJ-F5121-00
PLATE, BRAKE SHOE
Цена по
запросу
6
1P6-W253A-00
Колодки тормозные
3 481 ₽
7
1P6-25133-00
Пружина
509 ₽
8
1P6-F5151-01
Camshaft
2 529 ₽
9
93104-12800
Сальник
461 ₽
10
1P6-F533A-01
late, Indicator
156 ₽
11
2CJ-F5155-00
LEVER, CAMSHAFT 1
Цена по
запросу
12
90101-06278
Болт
175 ₽
13
95317-06600
Гайка
111 ₽
14
94125-10800
Покрышка (2.50-10 C183A 4PR TT)
4 920 ₽
14
94125-10801
Tire (2.50-10 C183A 4Pr Tt)
8 131 ₽
15
94225-10270
Камера (2.50/2.75-10)
3 345 ₽
16
94325-10800
Подложка камеры (2.50-10)
366 ₽
17
94414-10800
Диск колеса (1.40-10)
6 193 ₽
18
1P6-F5104-01
Комплект спиц, переднего колеса
7 711 ₽
19
2CJ-F5181-00
AXLE, WHEEL
Цена по
запросу
20
90201-128F3
Rondelle
Цена по
запросу
21
95602-12200
Гайка самоконтрящаяся
302 ₽
22
2CJ-F5183-00
OLLAR, WHEEL
Цена по
запросу

Узлы для