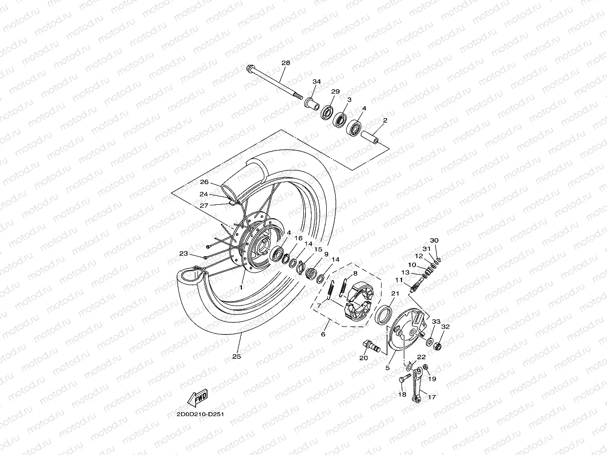
ПЕРЕДНЕЕ КОЛЕСО для YBR125EGS (43B2) 2010 YAMAHA YBR 125

FRONT WHEEL
1
5VL-F5111-00-35
HUB, FRONT
Цена по
запросу
2
90560-12828
Entretoise
Цена по
запросу
3
93102-18804
Joint
Цена по
запросу
4
93306-301Y6
BEARING
Цена по
запросу
5
5VL-F5121-01-35
PLATE, BRAKE SHOE
Цена по
запросу
6
3FA-W253A-00
Колодки тормозные
3 576 ₽
7
90506-12001
Пружина
254 ₽
8
90506-15001
Пружина
254 ₽
9
1KL-F5135-00
GEAR, DRIVE
Цена по
запросу
10
Цена по
запросу
11
214-25138-00
Gear, Meter
2 718 ₽
12
93104-07811
Joint
Цена по
запросу
13
90201-07836
WASHER, PLATE
Цена по
запросу
14
90201-20844
WASHER, PLATE
Цена по
запросу
15
1KL-F5149-01
CLUTCH, METER
Цена по
запросу
16
93410-19831
Seeger
Цена по
запросу
17
4FP-F5155-11
LEVER, CAMSHAFT 1
Цена по
запросу
18
90101-06848
Болт
85 ₽
19
9530N-06600
Гайка
111 ₽
20
4GU-F5351-02
Кулачок
2 997 ₽
21
93105-47802
Joint
Цена по
запросу
22
4GU-F533A-00
Пластина (индикатор)
218 ₽
23
5VL-W5304-01
Rayon (Rear)
Цена по
запросу
24
94416-18803
RIM (1.60-18)
Цена по
запросу
25
94130-18820
TIRE (3.00-18 C7204F 47P TT)
Цена по
запросу
26
94227-18195
КАМЕРА ШИНЫ КОЛЕСА
2 760 ₽
27
94327-18800
BAND, RIM (2.75-18)
Цена по
запросу
28
5VL-F5181-01
AXLE, WHEEL
Цена по
запросу
29
1KL-F5118-00
COVER, HUB DUST
Цена по
запросу
30
1KL-F5137-00
RING, STOP
Цена по
запросу
31
93210-14813
O-Ring
Цена по
запросу
32
90185-10807
Nut, Self-Locking
140 ₽
33
90201-106F2
Шайба
191 ₽
34
90387-12840
Entretoise
Цена по
запросу

Узлы для