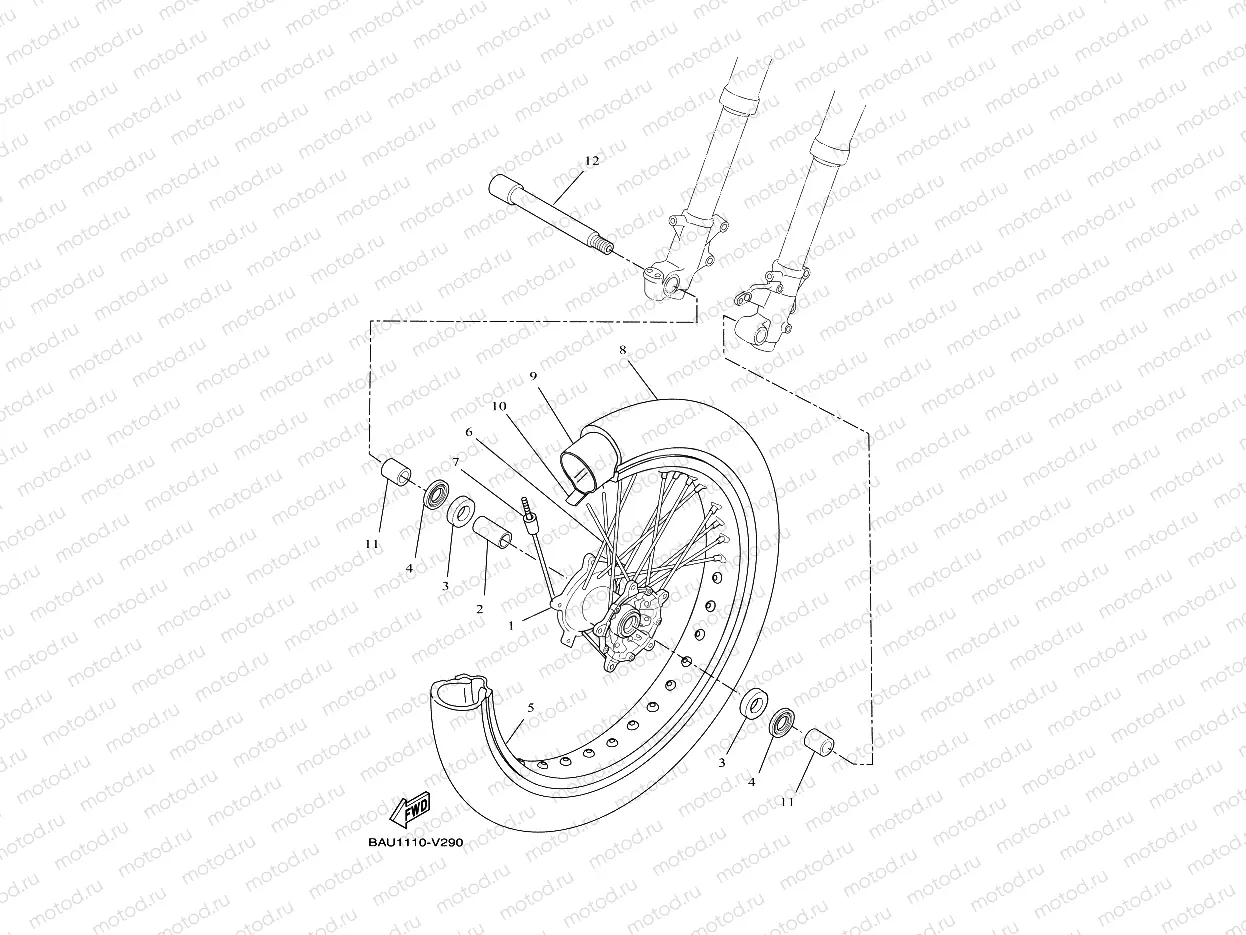
ПЕРЕДНЕЕ КОЛЕСО для XTZ690 (BFF2) 2021 YAMAHA XTZ 700 Tenere

FRONT WHEEL
1
BW3-25111-00
HUB, FRONT
Цена по
запросу
1 шт. в узле в узле
2
BW3-25117-00
Entretoise
Цена по
запросу
1 шт. в узле в узле
3
93306-00420
Подшипник (B6004)
2 130 ₽ 2 шт. в узле в узле
4
93106-30045
Сальник
350 ₽ 2 шт. в узле в узле
5
94418-21005
RIM (1.85-21)
Цена по
запросу
1 шт. в узле в узле
5
94418-21003
RIM (1.85-21)
Цена по
запросу
1 шт. в узле в узле
6
BW3-F5104-00
R SPOKE SET
Цена по
запросу
1 шт. в узле в узле
7
BW3-25398-00
ALANCER, WHEEL
Цена по
запросу
1 шт. в узле в узле
8
--
TIRE (AT21X7-10 C9207 T/L)
Цена по
запросу
1 шт. в узле в узле
9
--
TIRE (AT21X7-10 C9207 T/L)
Цена по
запросу
1 шт. в узле в узле
10
94309-21800
Band, Rim (21)
1 139 ₽ 1 шт. в узле в узле
Цена по
запросу
12
BW3-25181-00
AXLE, WHEEL
Цена по
запросу
1 шт. в узле в узле

Узлы для