FRONT STRUT - A03CH59AA/AF/AG (4964026402B007) | FRONT STRUT - A03CH59AA/AF/AG (4964026402B007)

FRONT STRUT - A03CH59AA/AF/AG (4964026402B007) | FRONT STRUT - A03CH59AA/AF/AG (4964026402B007)
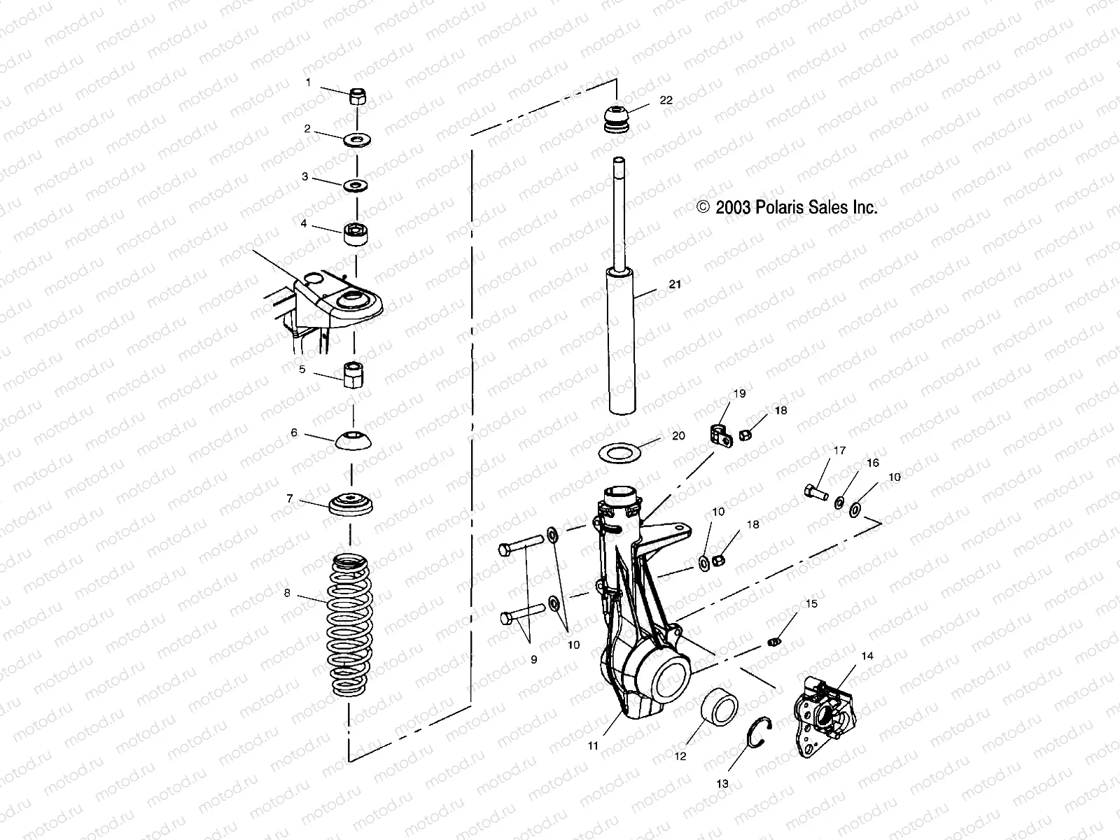
1
7547104
NUT
Цена по
запросу
2
7555749
Rondelle
Цена по
запросу
3
5810291
SPACER RUBBER
Цена по
запросу
4
5432872
PIVOT BALL TOP
Цена по
запросу
5
5132062
SPACER-1/2-20
Цена по
запросу
6
5432871
PIVOT BALL BOTTOM
Цена по
запросу
7
5243364
RETAINER-SPRING
Цена по
запросу
8
7042313-067
SPRING-COMP 70-120# 12 LG BLK
Цена по
запросу
8
7042313-067
SPRING-COMP 70-120# 12 LG BLK
Цена по
запросу
9
7515339
Vis
Цена по
запросу
10
7558402
WASHER FLAT
Цена по
запросу
11
1822654
HUBSTRUT ASM RH
Цена по
запросу
11
1822653
HUBSTRUT ASM LH
Цена по
запросу
12
3514634
BEARING-WHEEL 35X64X37MM
Цена по
запросу
13
7710507
RING RET. 2.500 INTERNAL
Цена по
запросу
14
LR--
CALIPER, BRAKE, RH
Цена по
запросу
15
7080306
FITTING LUBE.W/BALL CK.
Цена по
запросу
16
7552901
Rondelle (Lock)
Цена по
запросу
17
7512365
SCREW CAP
Цена по
запросу
18
7542324
Nut (SELF-LOCKING)
Цена по
запросу
19
7080367
CLAMP CABLE
Цена по
запросу
20
5211115
Rondelle
Цена по
запросу
21
7041761
STRUT-FRONT 18X30MM 153.8MM ST
Цена по
запросу
22
5412665
BUMPER-MCU 17.8MM ID
Цена по
запросу

Узлы для