FRONT STRUT - A01CH50AA (4959905990b007) | FRONT STRUT - A01CH50AA (4959905990b007)

FRONT STRUT - A01CH50AA (4959905990b007) | FRONT STRUT - A01CH50AA (4959905990b007)
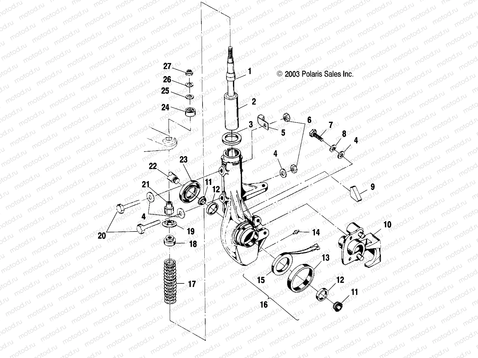
1
5412665
BUMPER-MCU 17.8MM ID
Цена по
запросу
2
7041761
STRUT-FRONT 18X30MM 153.8MM ST
Цена по
запросу
3
5211115
Rondelle
Цена по
запросу
4
7558402
WASHER FLAT
Цена по
запросу
5
7080367
CLAMP CABLE
Цена по
запросу
6
7542324
Nut (SELF-LOCKING)
Цена по
запросу
7
7512365
SCREW CAP
Цена по
запросу
8
7552901
Rondelle (Lock)
Цена по
запросу
9
5810439
RETAINER,WIRE,STRUT CAST
Цена по
запросу
11
3554509
BEARING TAPERED ROLLER
Цена по
запросу
12
3554507
BRG TAPER ROLL CUP
Цена по
запросу
13
5222193
SLEEVE STRUT HUB SEAL
Цена по
запросу
14
7080306
FITTING LUBE.W/BALL CK.
Цена по
запросу
15
2201313
HUB/COIL(KIT)
Цена по
запросу
16
1820951
HUBSTRUT RH ASM.
Цена по
запросу
16
1820950
HUBSTRUT LH ASM.
Цена по
запросу
17
7042312-067
SPRING-COMP 64-113# 11.6 BLK
Цена по
запросу
18
5243364
RETAINER-SPRING
Цена по
запросу
19
5432871
PIVOT BALL BOTTOM
Цена по
запросу
20
7515339
Vis
Цена по
запросу
21
5132062
SPACER-1/2-20
Цена по
запросу
22
LR--
CALIPER, BRAKE, RH
Цена по
запросу
23
3610028
SEAL HUB STRUT
Цена по
запросу
24
5432872
PIVOT BALL TOP
Цена по
запросу
25
5810291
SPACER RUBBER
Цена по
запросу
26
7555749
Rondelle
Цена по
запросу
27
7547104
NUT
Цена по
запросу

Узлы для