FRONT STRUT - A00CH50AA (4959905990B007) | FRONT STRUT - A00CH50AA (4959905990B007)

FRONT STRUT - A00CH50AA (4959905990B007) | FRONT STRUT - A00CH50AA (4959905990B007)
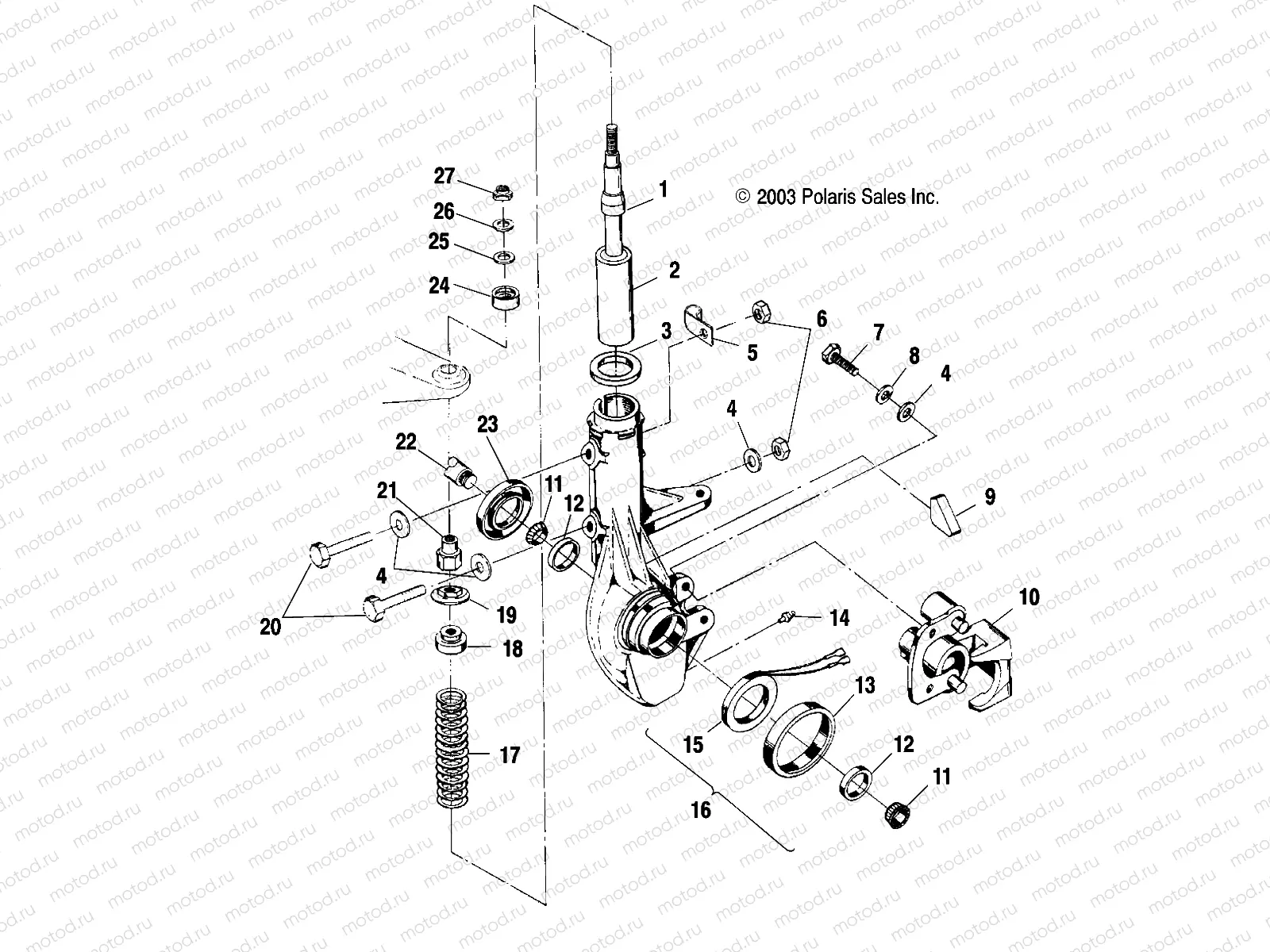
1
5412665
BUMPER-MCU 17.8MM ID
2
7041761
STRUT-FRONT 18X30MM 153.8MM ST
3
5211115
Rondelle
4
7558402
WASHER FLAT
5
7080573
CLAMP RUBBER-COATED .562
6
7542324
Nut (SELF-LOCKING)
7
7512365
SCREW CAP
8
7552901
Rondelle (Lock)
9
5810439
RETAINER,WIRE,STRUT CAST
10
LR--
CALIPER, BRAKE, RH
11
3554509
BEARING TAPERED ROLLER
12
3554507
BRG TAPER ROLL CUP
13
5222193
SLEEVE STRUT HUB SEAL
14
7080306
FITTING LUBE.W/BALL CK.
15
2201313
HUB/COIL(KIT)
16
2201311
HUBSTRUT SVC BRN/WHT 42 LH
16
2201312
HUBSTRUT SVC BRN/WHT 42 RH
17
7042312-067
SPRING-COMP 64-113# 11.6 BLK
18
5243364
RETAINER-SPRING
19
5432871
PIVOT BALL BOTTOM
20
7515339
Vis
21
5132062
SPACER-1/2-20
23
3610028
SEAL HUB STRUT
24
5432872
PIVOT BALL TOP
25
5810291
SPACER RUBBER
26
7555749
Rondelle
27
7547104
NUT

Узлы для