FRONT MASTER CYLINDER

FRONT MASTER CYLINDER
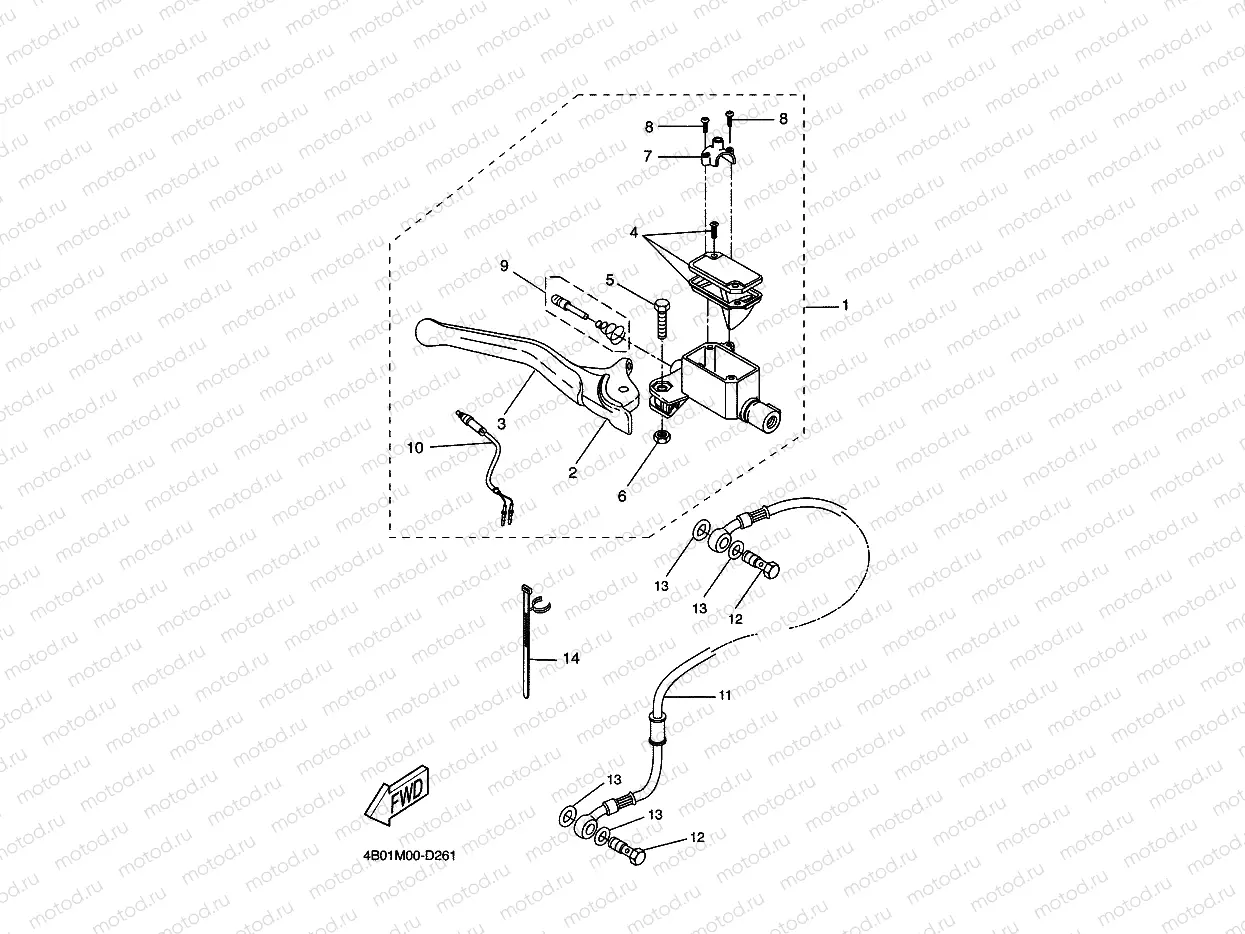
1
5BR-F583T-32
MASTER CYLINDER ASSY
2
5BR-H3912-01
Levier de frein
3
5BR-H3935-00
COVER
4
4SB-F5852-10
Couvercle du réservoir de liquide de frein
5
4SB-H3945-00
Vis
6
4SB-H3916-00
Nut
7
4B0-F5867-10
RACKET, MASTER CYLINDER
8
90111-06X01
Болт
812 ₽
9
5BR-F8120-09
Kit de réparation pour de frein
10
5YX-H3980-01
FRONT STOP SWITCH ASSY
11
5BR-F5872-51
Durite de frein
12
90401-10X03
Болт-штуцер
608 ₽
13
90201-10X03
Шайба
406 ₽
14
90464-09X00
Collier

Узлы для