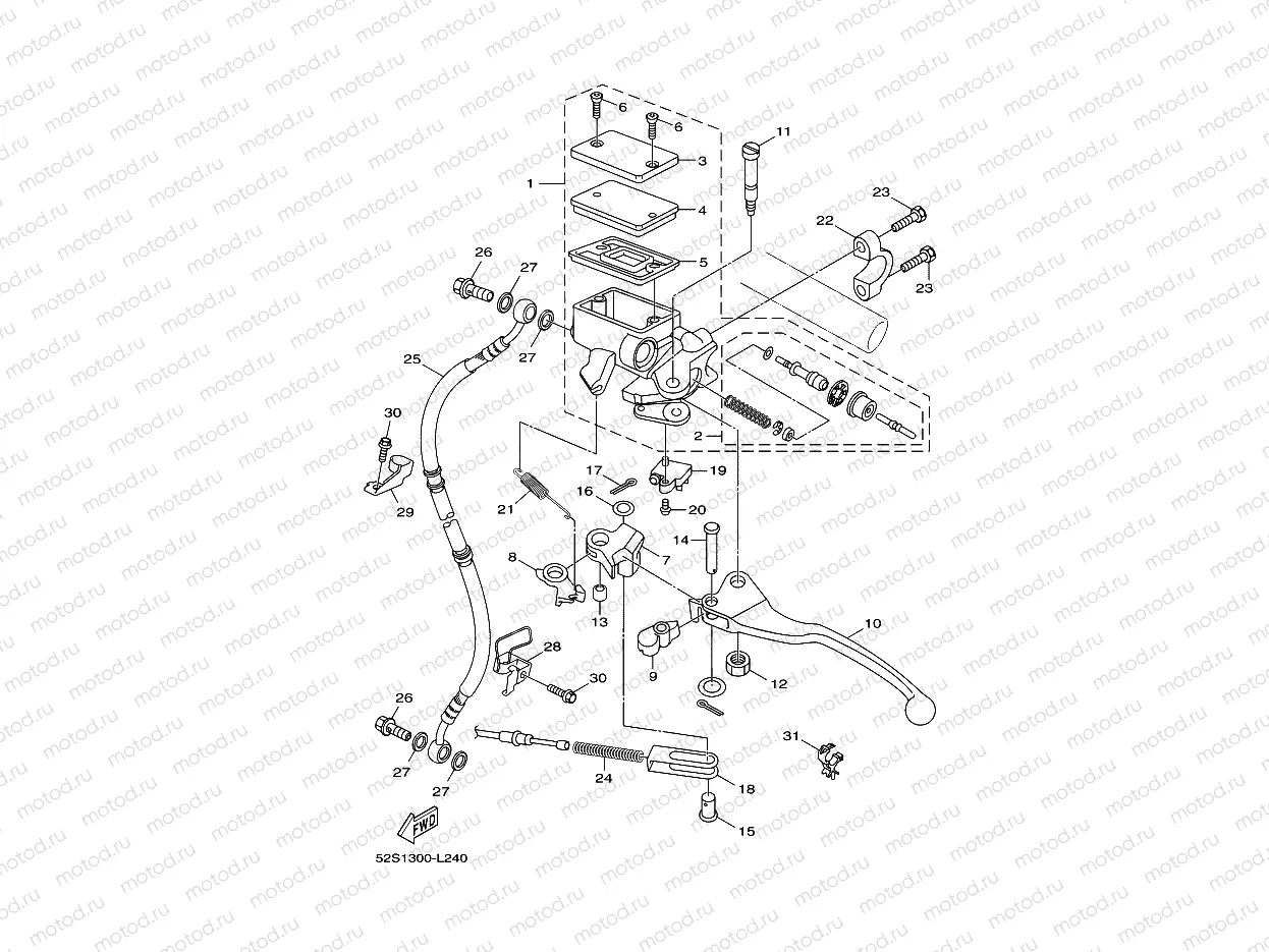
FRONT MASTER CYLINDER

FRONT MASTER CYLINDER
1
53B-F580A-00
MASTER CYLINDER SUB ASSY 2
Цена по
запросу
2
53B-F5807-00
Kit de réparation pour de frein
Цена по
запросу
3
53B-F5852-00
Cap, Reservoir
1 415 ₽
4
53B-F5855-00
ush, Diaphragm
445 ₽
5
53B-F5854-00
Diaphragm, Reservoir
683 ₽
6
98707-04016
Винт
152 ₽
7
53B-F6168-00
KNOCKER
Цена по
запросу
8
53B-F6154-00
STOPPER, LEVER
Цена по
запросу
9
53B-F5681-00
EQUALIZER, BRAKE
Цена по
запросу
10
53B-H3912-00
Levier de frein
Цена по
запросу
11
53B-F589F-00
Болт
429 ₽
12
53B-F586F-00
Nut, Cover
175 ₽
13
53B-H3913-00
ush
572 ₽
14
91702-06028
Pin, Clevis
127 ₽
15
90240-06M18
Штифт
477 ₽
16
90201-061H1
Шайба (T=0.5 мм )
254 ₽
17
91490-20015
Шплинт
104 ₽
18
53B-F6347-00
JOINT, CABLE
Цена по
запросу
19
J45-82503-01
Front Stop Switch Assy
2 082 ₽
20
97602-04214
Винт с шайбой
152 ₽
21
53B-F8388-00
Spring
Цена по
запросу
22
5ML-F5867-00
Держатель
1 478 ₽
23
95022-06025
Болт
152 ₽
24
90501-12809
SPRING, COMPRESSION
Цена по
запросу
25
52S-F5872-00
Durite de frein
Цена по
запросу
26
90401-10811
Болт-штуцер
149 ₽
27
90201-108J9
Шайба
85 ₽
28
52S-F5875-00
HOLDER, BRAKE HOSE 1
Цена по
запросу
29
52S-F5876-00
HOLDER, BRAKE HOSE 2
Цена по
запросу
30
95817-06010
Болт
95 ₽
31
90464-14803
Хомут
175 ₽

Узлы для