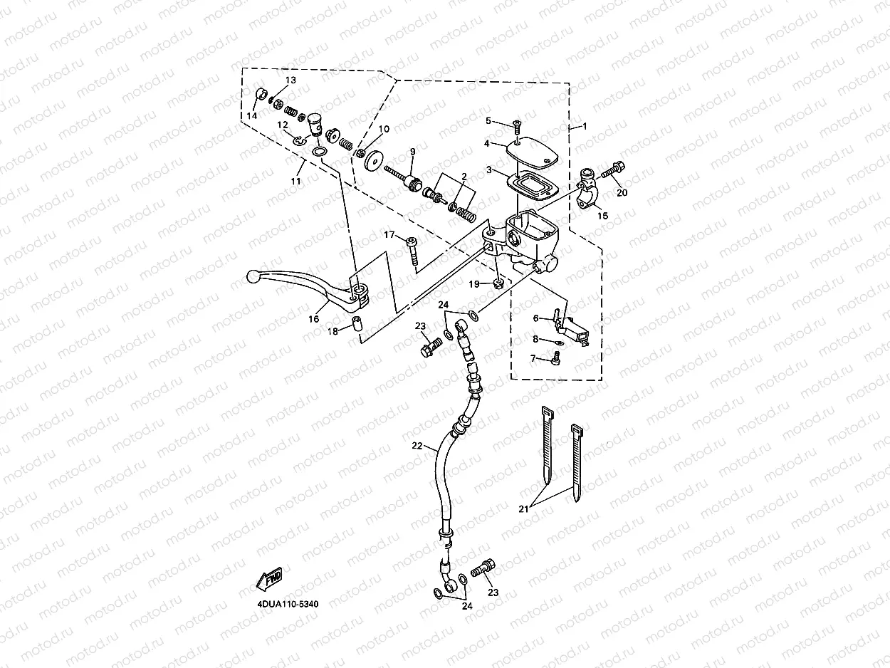
ПЕРЕДНИЙ ГЛАВНЫЙ ЦИЛИНДР для XJ600S DIVERSION (4DG6) 1996 YAMAHA XJ 600 S Diversion (VIN: 4DG)

FRONT MASTER CYLINDER
1
4BR-W2587-02
Главный цилиндр
27 430 ₽
2
3YX-W0041-50
Ремкомплект главного цилиндра
8 274 ₽
3
3YX-25854-00
Диафрагма
1 621 ₽
4
4TX-25852-01
Стакан резервуара
3 261 ₽
5
98707-04012
Винт
152 ₽
6
4BH-83980-00
Кнопка сигнала "стоп"
2 368 ₽
7
98517-04012
Винт
95 ₽
8
92907-04600
Шайба
95 ₽
9
3YX-25880-00
Толкатель
3 688 ₽
10
95380-06600
Гайка
95 ₽
11
3YX-W0091-02
Детали цилиндра наружные, комплект
8 831 ₽
12
99001-08600
Кольцо стопорное
136 ₽
13
99080-03600
Кольцо стопорное
159 ₽
14
3YX-2583H-00
Колпачок
795 ₽
15
3YX-25867-00
Крышка крепления цилиндра
2 082 ₽
16
3YX-83922-09
Ручка тормоза
2 432 ₽
17
3YX-2589F-00
Болт ручки
652 ₽
18
3YX-25838-00
Втулка
1 272 ₽
19
95617-06100
Гайка
111 ₽
20
95027-06030
Болт
136 ₽
21
437-83936-01
Хомут
159 ₽
22
4BP-25872-01
Шланг, тормоз 1
13 217 ₽
23
90401-10159
Болт-штуцер
318 ₽
24
90201-108J9
Шайба
85 ₽

Узлы для