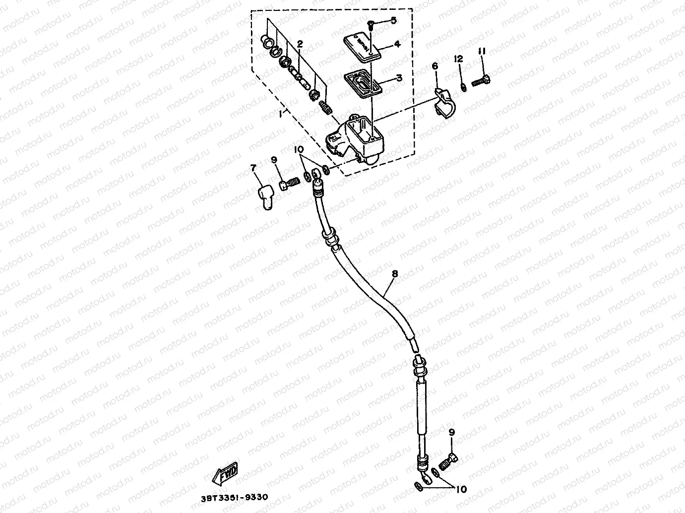
FRONT MASTER CYLINDER

FRONT MASTER CYLINDER
1
3YF-2583T-00
Главный цилиндр
22 661 ₽
1
4H7-25850-02
Главный цилиндр
37 753 ₽
2
4H7-W0041-00
Ремкомплект главного цилиндра
6 162 ₽
3
4HM-25854-00
Диафрагма
1 653 ₽
3
4L0-25854-00
Диафрагма
1 621 ₽
4
3GM-25852-02
Cap, Reservoir
2 384 ₽
4
4H7-25852-00
Стакан резервуара
2 305 ₽
5
98707-04012
Винт
152 ₽
6
4L0-25867-00
Кронштейн
1 923 ₽
7
4L0-25862-01
Колпачок
1 081 ₽
8
99999-02660
BRAKE HOSE SET 1 (3JB2587201)
Цена по
запросу
8
99999-02512
BRAKE HOSE SET(4FT)
Цена по
запросу
9
90401-10159
Болт-штуцер
318 ₽
10
90201-108J9
Шайба
85 ₽
11
97017-06025
Болт
152 ₽
12
92907-06100
Шайба гроверная
136 ₽

Узлы для