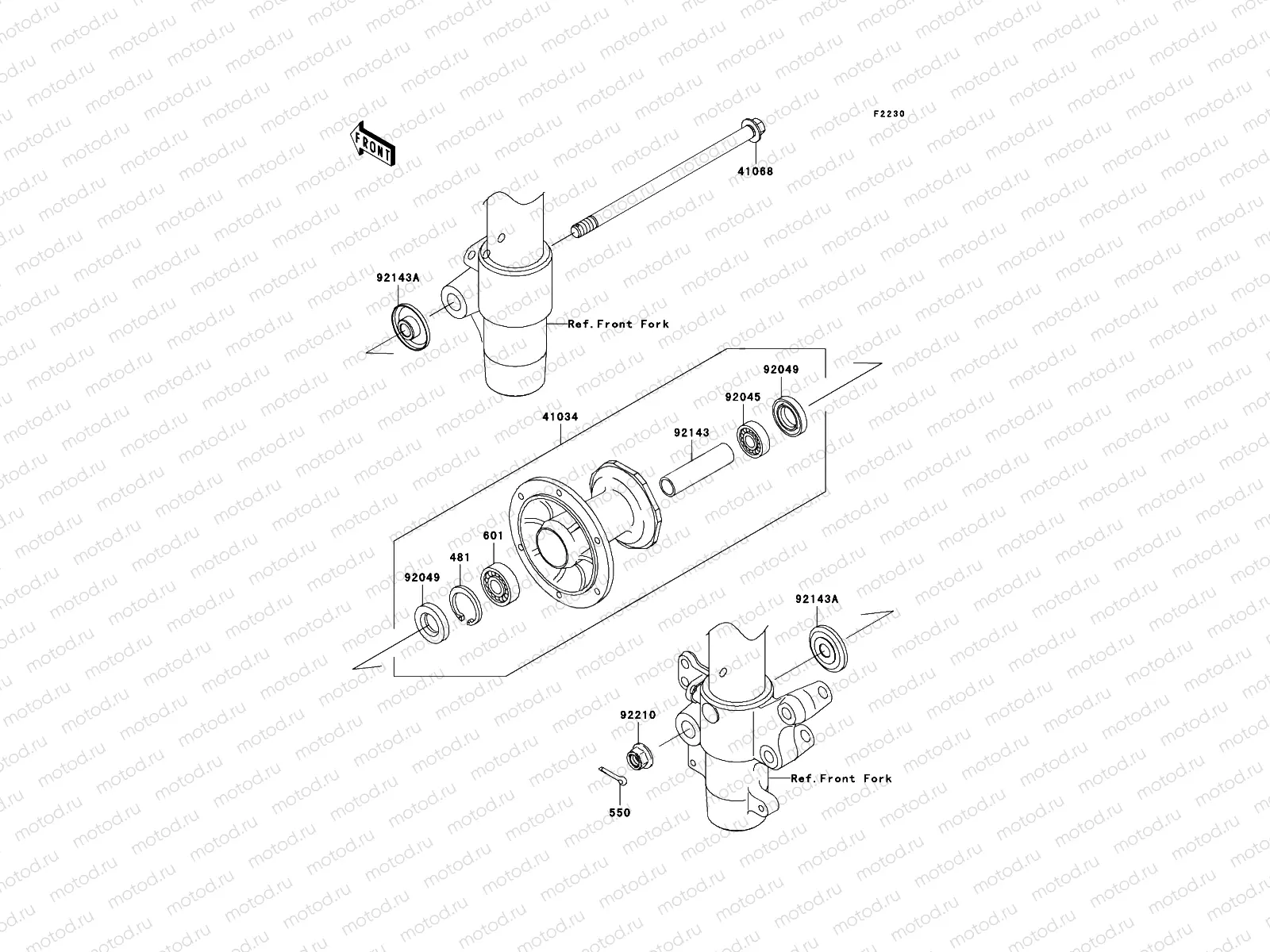
Front Hub

Front Hub
481
481J3-700
Seeger
144 ₽
550
550AA-2520
PIN-COTTER,2.5X20
64 ₽
601
601B6-301U-U
Roulement
1 269 ₽
41034
41034-1310
DRUM-ASSY,FRONT BRAKE
17 672 ₽
41068
41068-1333
Front wheel axle (Front)
1 992 ₽
92045
92045-1062
Roulement
1 784 ₽
92049
92049-1257
Joint
626 ₽
92143
92143-1935
COLLAR,FR BRAKE DRUM,
338 ₽
92143
92143-1936
COLLAR,FR AXLE,L=12
1 061 ₽
92210
92210-0110
NUT,LOCK,FLANGED,12MM
579 ₽

Узлы для