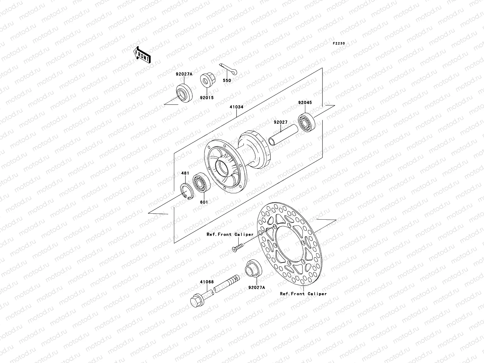
Front Hub

Front Hub
481
481J3-700
Seeger
144 ₽
550
550AA-2520
PIN-COTTER,2.5X20
64 ₽
601
601B6-301U-U
Roulement
1 269 ₽
41034
41034-1166
DRUM-ASSY,FRONT BRAKE
Цена по
запросу
41068
41068-1333
Front wheel axle (Front)
1 992 ₽
92015
92015-1433
NUT,12MM
530 ₽
92027
92027-1925
COLLAR,L=81
Цена по
запросу
92027
92027-1926
COLLAR,L=6
Цена по
запросу
92045
92045-1062
Roulement
1 784 ₽

Узлы для