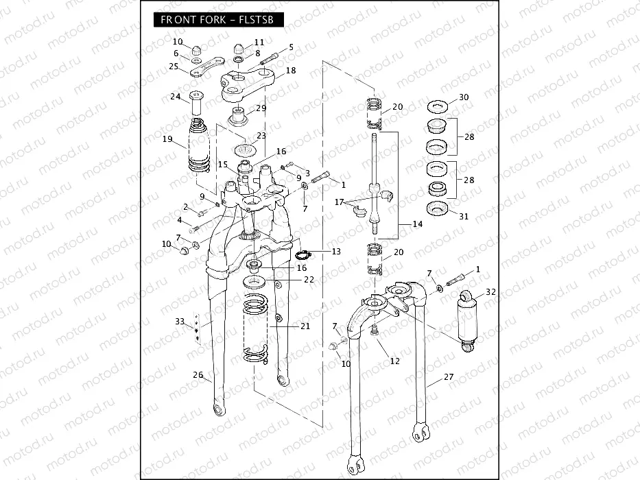
FRONT FORK - FLSTSB

FRONT FORK - FLSTSB
1
855B
HEX SOC HD CAP SCREW
2
3061
SCREW, HEX SOCKET CAP SEMS, 1/
3
3533
SCREW, BUTTON HEAD
4
3538
Vis
5
4350A
SCREW, HEX SOC HEAD CAP
6
6353
CHROME WASHER
7
6812
Rondelle
8
6829
WASHER, RUBBER
9
7232
Rondelle (Lock)
10
7680W
NUT, ACORN
11
7959
NUT, ACORN, W/WASHER
12
45567-88
SPRING ROD NUT, FXST
13
45611-86
RETAINING RING
14
45628-92
SPRING ROD
15
45935-88
SPRING, ROD BUSHING, FXSP
16
45936-88
TRAVEL BUMPER, FXSP
17
45937-88
SPRING SEAT, FXSP
18
45989-05
TRIPLE CLAMP, FINISHED BLACK
19
46053-88
SPRING, REBOUND, FXSP
20
46054-88
SPRING, COMP.,INNER-FXSP
21
46055-88
SPRING, COMP., OUTER-FXSP
22
46056-88
SPRING CUP, COMPRESSION
23
46057-88
SPRING CUP, REBOUND
24
46060-88
SPRING, RESTRAINT, FXSP
25
46062-88
SPRING BRIDGE,FXSP
26
46173-05
FORK ASSY, RIGID, BLACK
27
46174-05
SPRING FORK ASSY,BLACK
28
48300-60
STEERING HEAD BEARING KIT
29
48306-88
HEAD BEARING RETAINER
30
48361-80
DUSTSHIELD
31
48365-48A
BEARING GUARD
32
54484-97
SHOCK ABSORBER, FLSTS
33
60254-07
REFLECTOR,AMBER,OBLONG

Узлы для