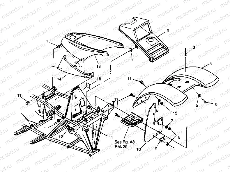
FRONT CAB ASSEMBLY 4x4 300 W958130 (4930183018A005) | FRONT CAB ASSEMBLY 4x4 300 W958130 (4930183018A005)

FRONT CAB ASSEMBLY 4x4 300 W958130 (4930183018A005) | FRONT CAB ASSEMBLY 4x4 300 W958130 (4930183018A005)
1
7670060
NUT SPEED
Цена по
запросу
2
5430973-193
COVER,H/L,CAMEL TAN
Цена по
запросу
3
7621460
RIVET
Цена по
запросу
4
2631610-195
CAB ASM,FR,(300-4X4) (Incl. 4,15)
Цена по
запросу
5
7558302
WASHER WROUGHT
Цена по
запросу
6
7512232
Vis
Цена по
запросу
7
7555859
WASHER FLAT
Цена по
запросу
8
7542122
NUT-NYLOK
Цена по
запросу
9
5211020-067
BRKT RH MUD FLAP
Цена по
запросу
9
5211131-067
BRKT LH MUD FLAP
Цена по
запросу
10
5850086
MUDFLAP,LH FRONT
Цена по
запросу
10
5850091
MUDFLAP,RH,FRONT
Цена по
запросу
11
7512282
BOLT BLACK
Цена по
запросу
12
5410012
PLUG RUBBER-HOLE .5DIA
Цена по
запросу
13
5431197-195
"""COVER FUELTANK E.B.GRN."""
Цена по
запросу
14
5430970-195
COVER,LH,SIDEPANEL,GRN. Substituted by 5433382-195
Цена по
запросу
14
5430971-195
COVER,RH,SIDEPANEL, GRN. Substituted by 5433579-195
Цена по
запросу
15
7542103
NUT FLEXLOC
Цена по
запросу
16
7074819
DECAL,CAUTION,"FAN"
Цена по
запросу

Узлы для