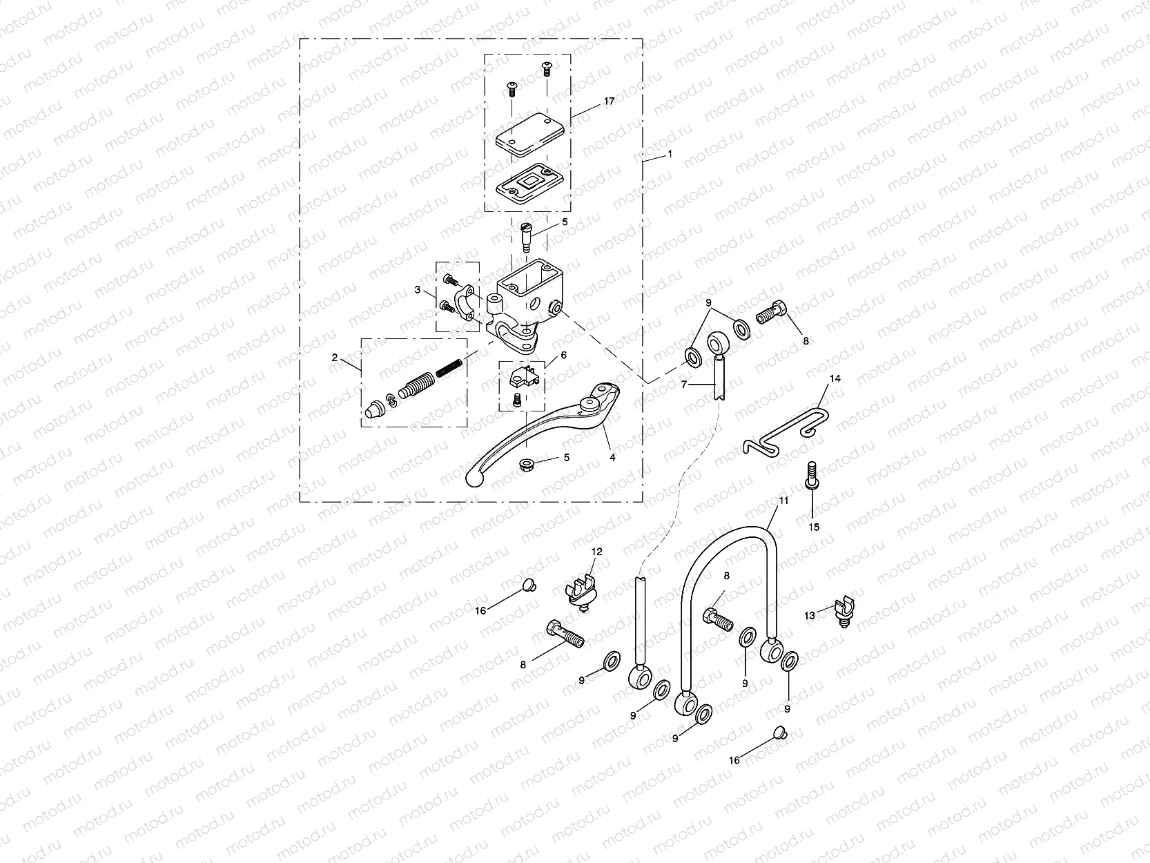
Front Brake Master Cylinder

Front Brake Master Cylinder
1
T2020755
M/Cyl Assy, Front, Adj, 14
2
T2020003
Piston Set, M/Cyl, 14.0
3
T2020156
M/Cyl Holder Set
4
T2025441
Lever Assy
5
T2020158
Lever, Bolt, Front M/Cyl
6
T2021217
Switch Set
7
T2021420
Brake Hose, Front
11
T2021094
Link Brake Hose
12
T3700235
Multi Brake Hose Clip
13
T3700233
Clip, Brake Hose
14
T2021675
Wire Guide, Brake Hose
15
T3203222
Bolt, HHF, M6 x 12, Slv
16
T3700180
Plug, Hole, Plastic
17
T2020152
op Set, Front M/Cyl

Узлы для