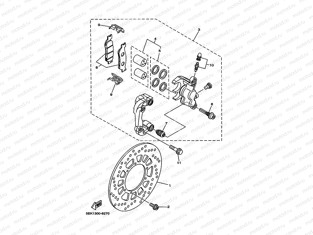
Front Brake Key La Pa (5LB1, 2)

Front Brake Key La Pa (5LB1, 2)

Узлы для