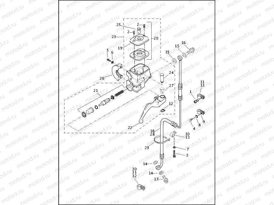
FRONT BRAKE CONTROL

FRONT BRAKE CONTROL
1
923
SCREW, HEX SOCKET
Цена по
запросу
1
3538
Vis
Цена по
запросу
2
2579A
Vis
Цена по
запросу
3
3594
SCREW, HEX SOCKET
Цена по
запросу
4
4091
Vis
Цена по
запросу
5
4132
SCREW, HEX SOCKET BUTTON HEAD
Цена по
запросу
6
6101
Rondelle
Цена по
запросу
7
6703
Rondelle
Цена по
запросу
8
7220
Rondelle
Цена по
запросу
9
10031
CLAMP, CABLE
Цена по
запросу
10
10053
Collier
Цена по
запросу
11
10076
CLAMP, MAIN HARNESS
Цена по
запросу
12
11143
RETAINING RING
Цена по
запросу
13
41713-86
CLIP, BRAKE LINE
Цена по
запросу
14
41731-88A
Gasket
Цена по
запросу
15
41733-88
GASKET, BANJO
Цена по
запросу
16
41739-84A
BOLT, BANJO
Цена по
запросу
17
41747-82A
BOLT, BANJO
Цена по
запросу
18
42317-06A
KIT-BRAKELINE, FRT/SFTL
Цена по
запросу
18
BRAKE LINE, front, w/ 10065, 10209, 41731-88A, 41733-88 & 68562-84
Цена по
запросу
18
BRAKE LINE, front, w/ fittings
Цена по
запросу
19
45004-96A
COVER, RESERVOIR, BLACK
Цена по
запросу
20
45030-03D
RES'VRS KIT, CLUTCH, BLK, MST
Цена по
запросу
21
45006-96F
PISTON SET,BRK CALIPER,KIT,MA
Цена по
запросу
22
45016-96
Levier de frein
Цена по
запросу
23
45019-96F
MSTR CYL ASY,FRT/SNGL/BLACK
Цена по
запросу
24
45032-82
PIVOT PIN
Цена по
запросу
25
SIGHT GLASS
Цена по
запросу
26
45044-96A
CLAMP, MASTER CYLINDER & CLUTC
Цена по
запросу
27
45423-96
LEVER PIVOT BUSHING
Цена по
запросу
28
42317-06A
KIT-BRAKELINE, FRT/SFTL
Цена по
запросу
28
BRAKE LINE KIT, front, w/ 10065, 41731-01, 41733-88, 68562-84 & 71795-63A
Цена по
запросу
28
BRAKE LINE KIT, front, w/ 10065, 41731-01, 41733-88, 68562-84 & 71795-63A
Цена по
запросу
28
45250-98B
KIT-BRAKELINE ASY, FRT/SFTL
Цена по
запросу
29
10065
CABLE STRAP
Цена по
запросу
30
68562-84
TAIL LIGHT WIRE CLIP, HDI
Цена по
запросу
31
71795-63A
REGULATOR CABLE CLAMP
Цена по
запросу
32
10209
CLAMP, BRAIDED BRAKE LINE
Цена по
запросу

Узлы для