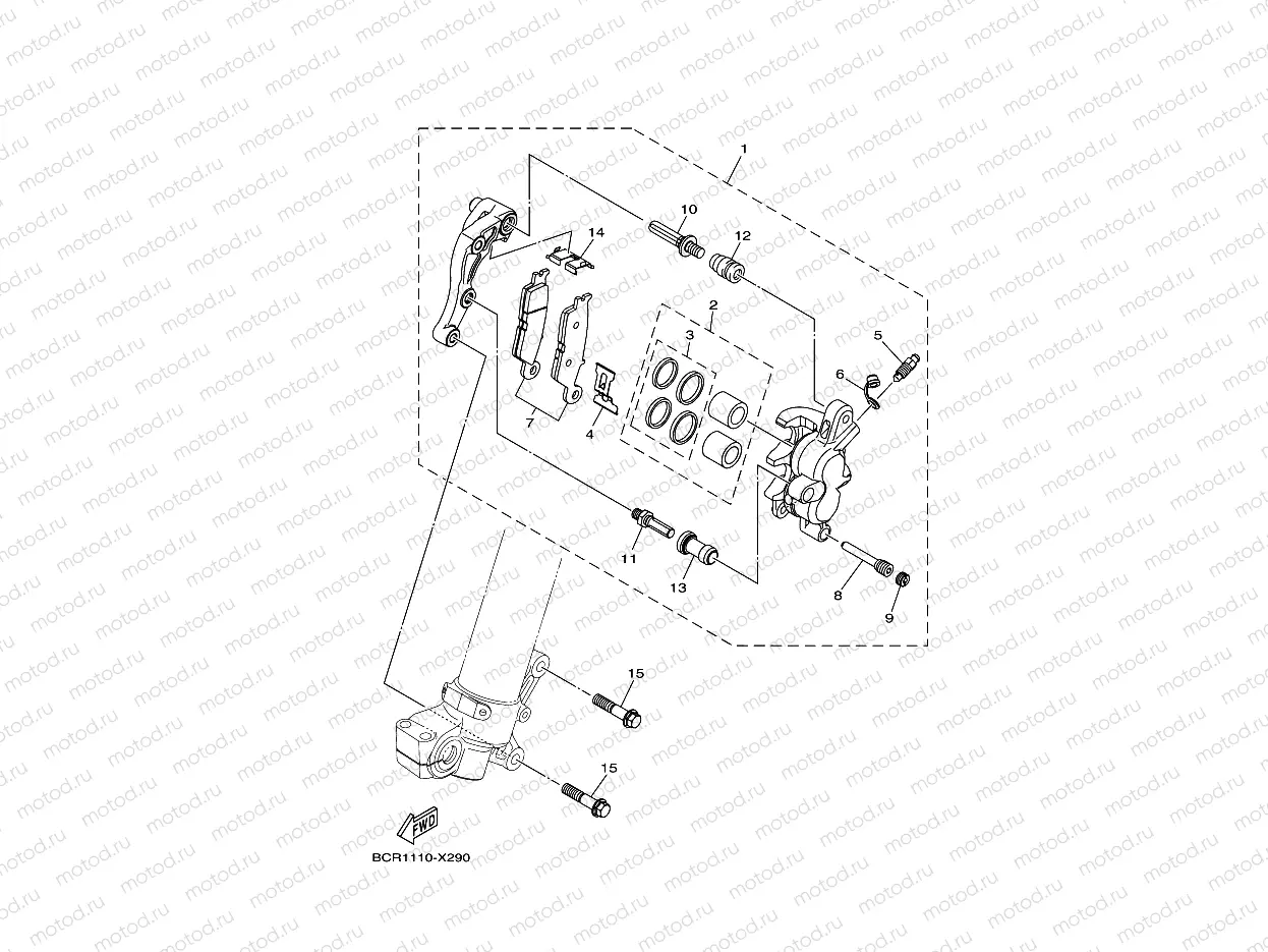
FRONT BRAKE CALIPER

FRONT BRAKE CALIPER
1
B2W-2580T-00
CALIPER ASSY (LEFT)
2
B2W-25802-00
PISTON ASSY, CALIPER
3
B2W-25803-00
Kit de réparation pour de frein
4
B2W-25919-00
SUPPORT, PAD
5
36Y-W0048-00
Штуцер с колпачком
1 049 ₽/шт
6
36Y-W0048-00
Штуцер с колпачком
1 049 ₽/шт
7
B2W-25805-00
Plaquette de frein
8
5DH-25933-00
Палец
1 272 ₽/шт
9
5DH-25916-00
Пробка
334 ₽/шт
10
3SP-25926-51
Болт
1 240 ₽/шт
11
3SP-25914-51
Палец
509 ₽/шт
12
3JD-25917-00
Уплотнение
350 ₽/шт
13
1UY-25937-51
Уплотнение
509 ₽/шт
14
5XC-25849-G0
Скоба
795 ₽/шт
15
90105-08137
Болт
207 ₽/шт

Узлы для