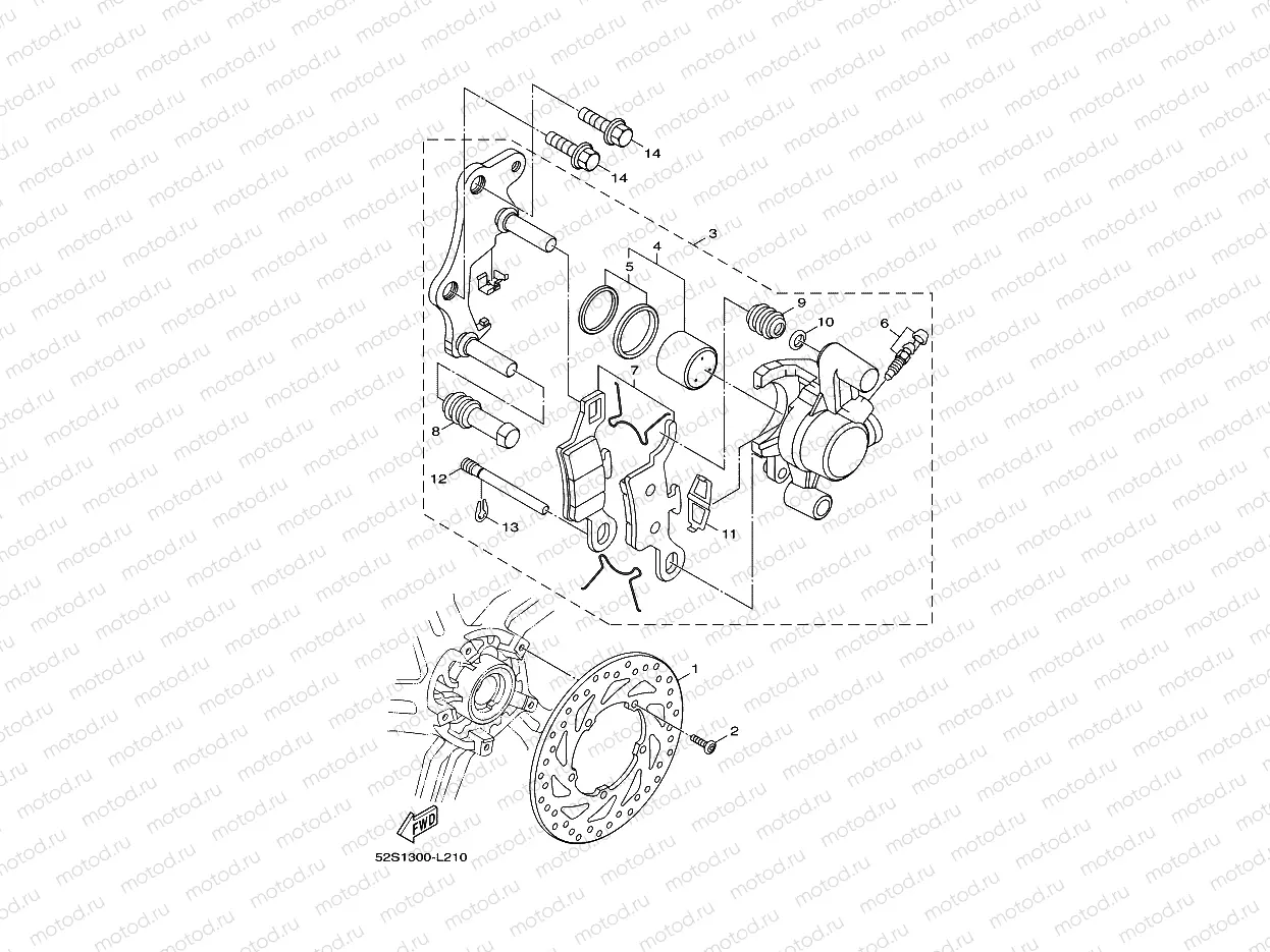
FRONT BRAKE CALIPER

FRONT BRAKE CALIPER
1
52S-F582T-00
Disque de frein
Цена по
запросу
2
90111-08084
Bolt,hex. Socket Button
484 ₽
3
52S-F580T-00
CALIPER ASSY (LEFT)
Цена по
запросу
4
5S9-W0057-00
Piston Assy, Caliper
2 511 ₽
5
5S9-W0047-00
Caliper Seal Kit
1 144 ₽
6
5S9-W0048-00
Bleed Screw Kit
530 ₽
7
52S-F5811-00
Plaquette de frein
Цена по
запросу
8
5S9-F5917-00
Boot, Caliper
477 ₽
9
5S9-F5937-00
Ботинок
493 ₽
10
5S9-F5913-00
Retainer
266 ₽
11
5S9-F5919-00
Скоба колодки
509 ₽
12
5S9-F5924-10
Pin, Pad
280 ₽
13
5S9-F5925-00
Clip
156 ₽
14
90105-10638
Болт
223 ₽

Узлы для