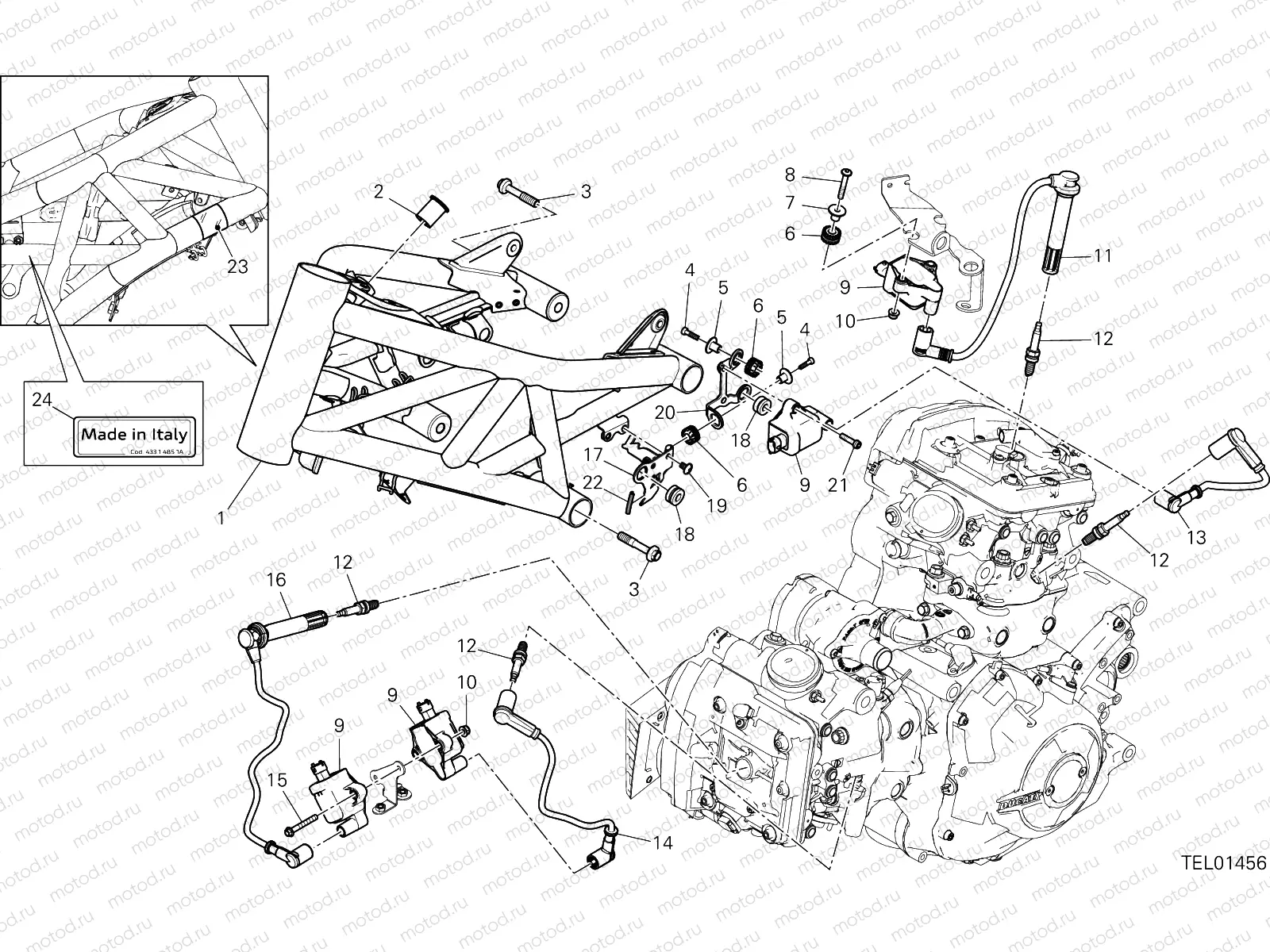
РАМА для XDiavel S DUCATI 2023

FRAME [XST:ROK]
1
47013271BA
TELAIO GRIGIO METALLO
Цена по
запросу
2
76410501A
Damper
Цена по
запросу
3
77919841AA
Vis (spec)
Цена по
запросу
4
77354743B
10 pc - Vis
Цена по
запросу
5
71611641AA
SPACER
Цена по
запросу
6
76410241A
5 pc - Damper
Цена по
запросу
7
71610061A
SPACER
Цена по
запросу
8
77240508C
Vis
Цена по
запросу
9
38040251A
IGNITION COIL
Цена по
запросу
10
74941113B
Nut
Цена по
запросу
11
67110701C
SPARK PLUG CABLE, VERTICAL HEAD
Цена по
запросу
12
67040451A
pc - Bougie d'allumage
Цена по
запросу
13
67110711B
SIDE VERTICAL SPARK PLUG CABLE
Цена по
запросу
14
67110731C
SIDE HORIZONTAL SPARK PLUG CABLE
Цена по
запросу
15
77253387C
Vis
Цена по
запросу
16
67110721D
CENTRAL HORIZONTAL SPARK PLUG CABLE
Цена по
запросу
17
8301E001BA
RACKET, CONNECTOR
Цена по
запросу
18
76410641A
2 pc - Damper
Цена по
запросу
19
77113691A
2 pc - Vis
Цена по
запросу
20
8301E061AA
BRACKET, COIL
Цена по
запросу
21
77156698B
Vis
Цена по
запросу
22
76412131A
Damper
Цена по
запросу
23
92610051A
GUARD
Цена по
запросу
24
43314851A
MARKING PLATE
Цена по
запросу

Узлы для