FRAME w/RACKS ASSEMBLY 250 6x6 / W928727 (4922842284003A) | FRAME w/RACKS ASSEMBLY 250 6x6 / W928727 (4922842284003A)

FRAME w/RACKS ASSEMBLY 250 6x6 / W928727 (4922842284003A) | FRAME w/RACKS ASSEMBLY 250 6x6 / W928727 (4922842284003A)
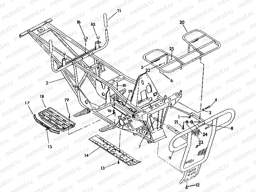
1
7542324
Nut (SELF-LOCKING)
Цена по
запросу
2
1040258-067
FRAME,(6X6),BLK. [No Longer Available]
Цена по
запросу
3
7558402
WASHER FLAT
Цена по
запросу
4
7512329
Vis
Цена по
запросу
5
5810455
PAD
Цена по
запросу
6
2670134
ASM. REFLECTOR AMBER
Цена по
запросу
7
5810467
PLUG FRAME
Цена по
запросу
8
7073455
DECAL, F.SUSP.
Цена по
запросу
9
2670132-067
BUMPER,FRT.(6X6)
Цена по
запросу
10
5410012
PLUG RUBBER-HOLE .5DIA
Цена по
запросу
11
5431097
GRIP
Цена по
запросу
13
7512232
Vis
Цена по
запросу
14
5222272-067
GUARD, ROCK, BLK.
Цена по
запросу
15
7661825
RIVET
Цена по
запросу
16
5410414
BUMPER RUBBER
Цена по
запросу
17
5431484
TRIM, FOOTREST
Цена по
запросу
18
1040274-117
FOOTPAD,LH,SILVER
Цена по
запросу
18
1040275
FOOTPAD,RH,(ATV) Substituted by 1040275-117
Цена по
запросу
19
7661637
RIVET INTERLOCK Z
Цена по
запросу
20
2670137-067
RACK FRT.BLK.
Цена по
запросу
21
7512163
Vis
Цена по
запросу
22
7515355
Vis
Цена по
запросу
23
7552801
Rondelle (Lock)
Цена по
запросу
24
7558301
WASHER FLAT
Цена по
запросу
25
7542327
NUT NYLOK
Цена по
запросу
26
5222860-067
GUARD,CLUTCH,OUTER
Цена по
запросу
27
5211359-067
GUARD,CLUTCH,INNER
Цена по
запросу

Узлы для