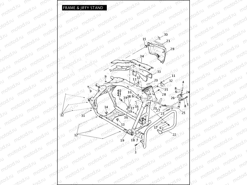
FRAME & JIFFY STAND (2 OF 2)

FRAME & JIFFY STAND (2 OF 2)
30
66055-09
WEAR PAD, SIDE COVER
Цена по
запросу
31
68446-00
BUTTON PLUG
Цена по
запросу
32
69318-02
Collier
Цена по
запросу
33
70980-09
WIRE TROUGH
Цена по
запросу
34
70981-09
COVER, WIRE TROUGH
Цена по
запросу
35
90469-94
SHORTY PLUG
Цена по
запросу
36
90520-07
PLUG, BTN HD, M6-TAP HOLE, BLA
Цена по
запросу
37
3594
SCREW, HEX SOCKET
Цена по
запросу
38
10177
CABLE STRAP, PLUG IN
Цена по
запросу
39
SENSOR, jiffy stand, w/ 72169-07, 72511-07BK & 73213-07 (England, HDI, Aus)
Цена по
запросу
40
72169-07
TERMINAL, PIN #16-20 AWG
Цена по
запросу
41
72511-07BK
HOUSING, 3-WAY PIN, BLACK
Цена по
запросу
42
73213-07
RETAINER, XMAS TREE CLIP
Цена по
запросу

Узлы для