FRAME | FRAME, MAIN - A06GJ50AA/AB/AC (4999201849920184A03)

FRAME | FRAME, MAIN - A06GJ50AA/AB/AC (4999201849920184A03)
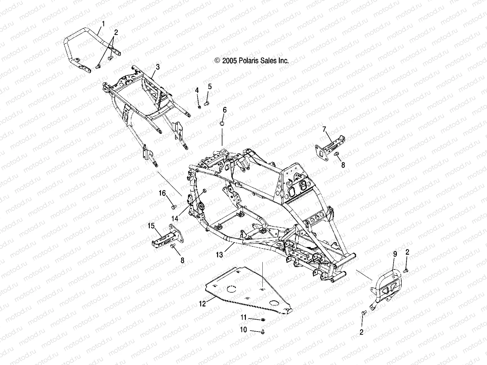
1
1014117
"""WELD-REAR GRAB BAR ALUM XTR"""
Цена по
запросу
1
1013995-458
WELD-GRAB BAR MATTE BLK
Цена по
запросу
2
7515399
Vis
Цена по
запросу
3
1015295-458
Frame, Rear, Matte' Black
Цена по
запросу
4
7555806
WASHER FLAT
Цена по
запросу
5
7517857
SCR-3/8-24X2.00 HX/CP-GR8-P80Y
Цена по
запросу
6
5412067
BUMPER-RUBBER (.31) SHORT
Цена по
запросу
7
1013851-067
Peg, Foot, LH, Black [AB](AC)
Цена по
запросу
8
7517632
Vis
Цена по
запросу
9
1015178
Bumper, Front, Black (AC)
Цена по
запросу
9
1013774-458
WELD-BUMPER FRONT MATTE BLK
Цена по
запросу
10
7517386
Vis
Цена по
запросу
11
7555859
WASHER FLAT
Цена по
запросу
12
5435737
GUARD-ROCK PREDATOR
Цена по
запросу
13
1014780-458
Frame, Main, Matte' Black
Цена по
запросу
14
7542343
NUT FLANGE
Цена по
запросу
15
1013852-458
Peg, Foot, RH, Matte' Black
Цена по
запросу
16
7515307
Vis
Цена по
запросу

Узлы для