Frame Fittings

Frame Fittings
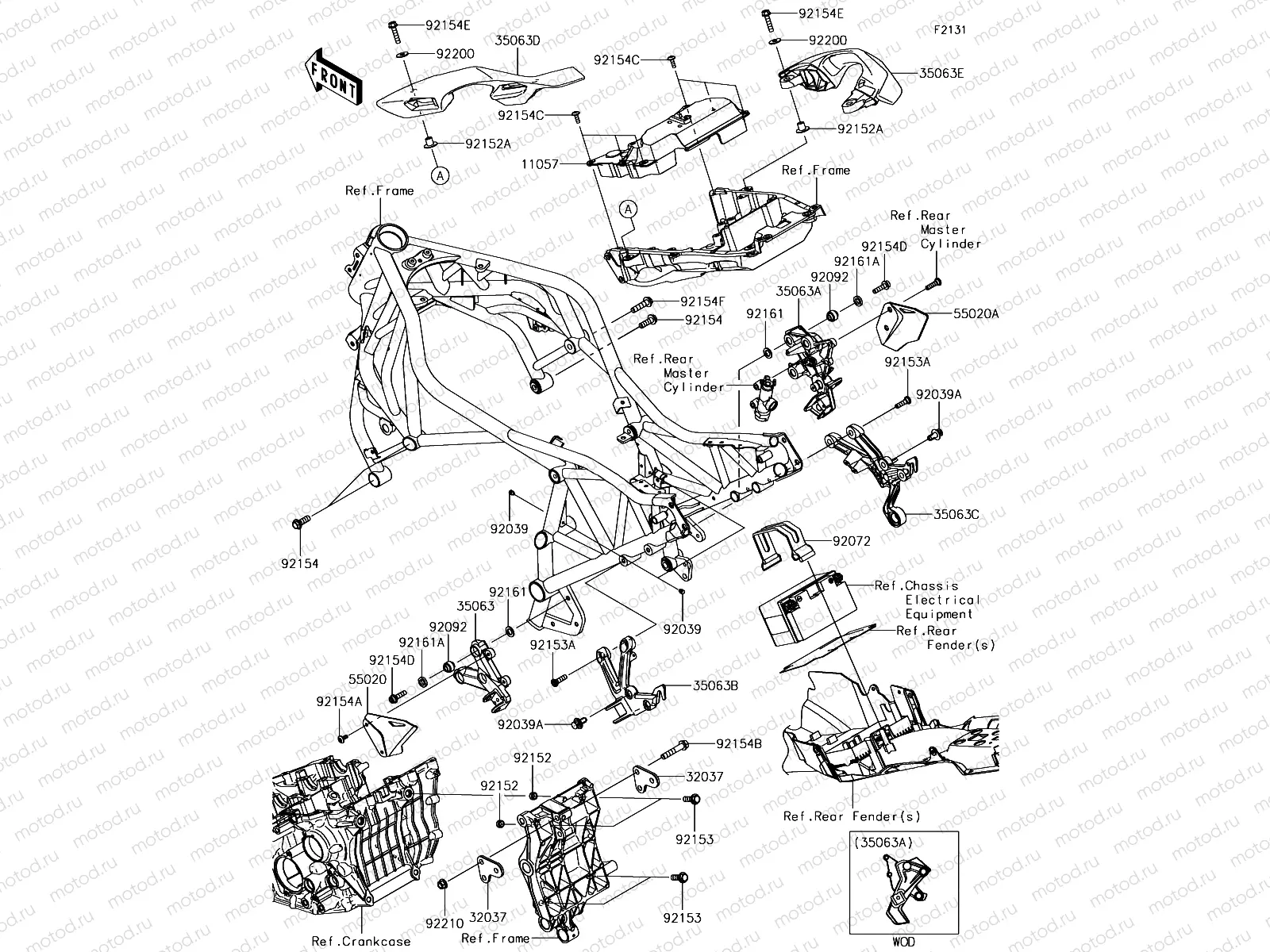
11057
11057-1298
BRACKET,RR FRAME,UPP
32037
32037-0401
BRACKET-SHOCKABSORBER
35063
35063-1418-46R
STAY,STEP,LH,FR,M.F.S.BL
35063
35063-1419-46R
STAY,STEP,RH,FR,M.F.S.BL
35063
35063-1420-46R
STAY,STEP,LH,RR,M.F.S.BL
35063
35063-1557-46R
STAY,STEP,RH,RR,M.F.S.BL
35063
35063-1474
STAY,GRIP,LH
35063
35063-1475
STAY,GRIP,RH
55020
55020-2201
GUARD,FOOT,LH
55020
55020-2202
GUARD,FOOT,RH
92039
92039-0773
RIVET,PLASTI
64 ₽
92039
92039-0789
RIVET
92072
92072-1306
BAND,BATTERY
834 ₽
92092
92092-0039
BUSHING-RUBBER,8.4X20X18
92152
92152-0679
COLLAR,DOWEL PIN
338 ₽
92152
92152-2412
COLLAR,9.05X12.6X15.3
92153
92153-0801
Vis
223 ₽
92153
92153-1624
Vis (8x30)
177 ₽
92154
92154-0543
Vis
506 ₽
92154
92154-0745
Vis (6x14)
89 ₽
92154
92154-0903
Vis
385 ₽
92154
92154-1694
Vis (6x18)
161 ₽
92154
92154-2912
Vis (8x30)
92154
92154-2915
Vis
92154
92154-2924
Vis
92161
92161-0943
DAMPER,12.5X21X2
119 ₽
92161
92161-0944
DAMPER,12.5X20X4
134 ₽
92200
92200-1936
WASHER,8.5X23X1.6
92210
92210-1139
Nut
238 ₽

Узлы для