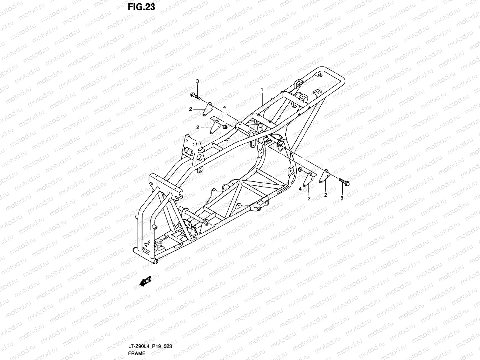
РАМА для LT-Z 90 L4 SUZUKI

FRAME - COVER
1
41100-08H00-019
Frame(black)
Цена по
запросу
1 шт. в узле в узле
2
41911-08H00
Plate,eng mtg r
Цена по
запросу
4 шт. в узле в узле
3
09103-08514
Vis (8x41)
Цена по
запросу
4 шт. в узле в узле
4
09159-08067
Гайка
344 ₽ 4 шт. в узле в узле

Узлы для