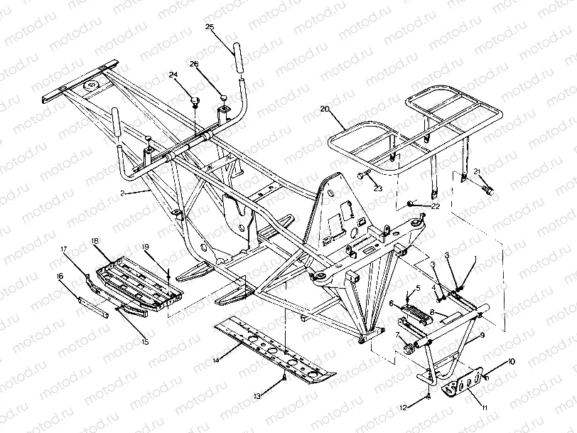
FRAME ASSEMBLY with RACKS BIG BOSS 4X6 (4919801980003A) | FRAME ASSEMBLY with RACKS BIG BOSS 4X6 (4919801980003A)

FRAME ASSEMBLY with RACKS  BIG BOSS 4X6 (4919801980003A) | FRAME ASSEMBLY with RACKS  BIG BOSS 4X6 (4919801980003A)
1
7542324
Nut (SELF-LOCKING)
Цена по
запросу
2
1040254-067
FRAME,2X4,(250),BLK. [No Longer Available]
Цена по
запросу
3
7558402
WASHER FLAT
Цена по
запросу
4
7512329
Vis
Цена по
запросу
5
7621229
RIVET
Цена по
запросу
6
5431023
COVER,BRKT,BUMPER MT.
Цена по
запросу
7
5431013-093
CAP,BUMPER,FR,FIRE RED
Цена по
запросу
8
7073087
DECAL, FR.SUSP.
Цена по
запросу
9
2670106-067
BUMPER FRT (BLACK)
Цена по
запросу
10
7512208
Vis
Цена по
запросу
11
5220981
SKID-PLATE,FR.BUMPER
Цена по
запросу
12
7512399
Vis
Цена по
запросу
13
7512232
Vis
Цена по
запросу
14
5220922
GUARD, ROCK Substituted by 5220922-067
Цена по
запросу
15
7661812
RIVET SEMI-TUBE
Цена по
запросу
16
2670071
REFLECTOR AMBER
Цена по
запросу
17
5431019
RUBRAIL,(FOOTREST) Substituted by 5431484
Цена по
запросу
18
1040274-117
FOOTPAD,LH,SILVER
Цена по
запросу
19
7661637
RIVET INTERLOCK Z
Цена по
запросу
20
2670111-067
"""RACK FRONT BLACK"""
Цена по
запросу
21
7512252
SCREW(10)
Цена по
запросу
23
7612307
DESC NOT_AVAILABLE
Цена по
запросу
24
5410414
BUMPER RUBBER
Цена по
запросу
25
5431097
GRIP
Цена по
запросу
26
5410012
PLUG RUBBER-HOLE .5DIA
Цена по
запросу

Узлы для