Frame Assembly with Racks (4914891489003A) | Frame Assembly with Racks (4914891489003A)

Frame Assembly with Racks (4914891489003A) | Frame Assembly with Racks (4914891489003A)
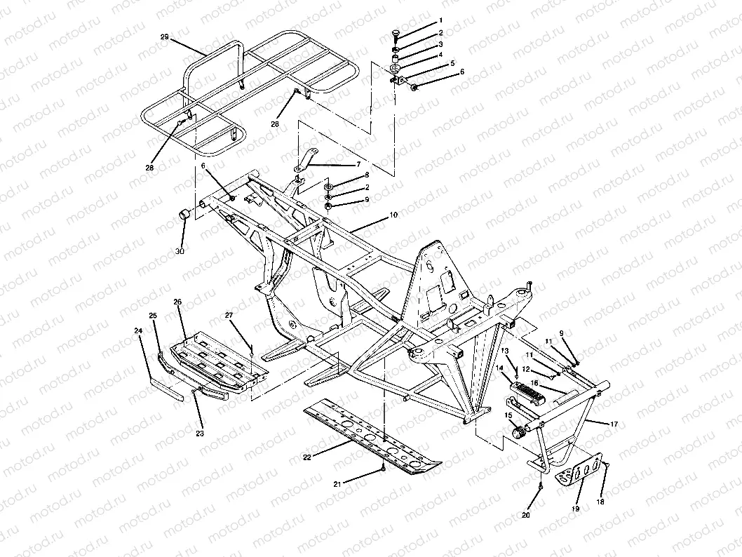
1
7515304
SCREW-FLANGED
Цена по
запросу
2
7555716
Rondelle
Цена по
запросу
3
5010192
BUSHING
Цена по
запросу
4
5412508
DAMPENER-VIBRATION
Цена по
запросу
5
5220901
BRKT,RH SUPPORT RACK Substituted by 5220901-067
Цена по
запросу
5
5243468-067
BRKT SUPPORT RACK LH BLK
Цена по
запросу
6
7542327
NUT NYLOK
Цена по
запросу
7
5220902-067
SUPPORT R.FENDER
Цена по
запросу
8
5410436
Rondelle (Rubber)
Цена по
запросу
9
7542324
Nut (SELF-LOCKING)
Цена по
запросу
10
1040161
FRAME, WELD. Substituted by 1040202
Цена по
запросу
11
7558402
WASHER FLAT
Цена по
запросу
12
7512329
Vis
Цена по
запросу
13
7621229
RIVET
Цена по
запросу
14
5431023
COVER,BRKT,BUMPER MT.
Цена по
запросу
15
5431013
CAP,BUMPER,FR. Substituted by 5431013-093
Цена по
запросу
16
7072534
DECAL,FR.BUMPER [No Longer Available]
Цена по
запросу
17
2670106
"""BUMPER FRONT"""
Цена по
запросу
18
7512208
Vis
Цена по
запросу
19
5220981
SKID-PLATE,FR.BUMPER
Цена по
запросу
20
7512399
Vis
Цена по
запросу
21
7512232
Vis
Цена по
запросу
22
5220922
GUARD, ROCK Substituted by 5220922-067
Цена по
запросу
23
7661812
RIVET SEMI-TUBE
Цена по
запросу
24
2670071
REFLECTOR AMBER
Цена по
запросу
25
5431019
RUBRAIL,(FOOTREST) Substituted by 5431484
Цена по
запросу
26
1040274-117
FOOTPAD,LH,SILVER
Цена по
запросу
27
7661637
RIVET INTERLOCK Z
Цена по
запросу
28
7515355
Vis
Цена по
запросу
29
2670110-067
"""RACK REAR BLACK"""
Цена по
запросу
30
5430823
CAP, BUMPER, 4 WHL.(10) Substituted by 5410794
Цена по
запросу

Узлы для