FRAME

FRAME
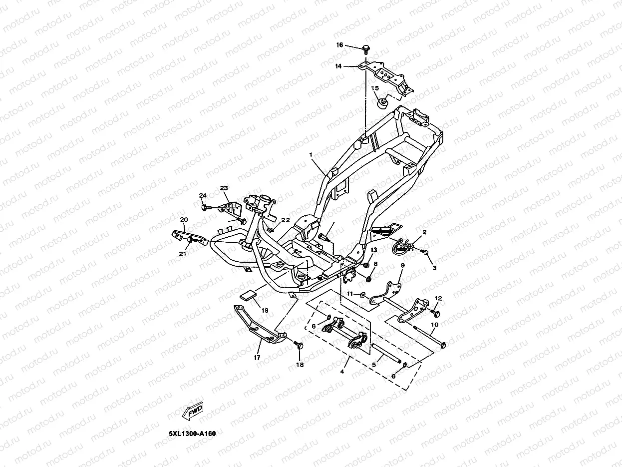
1
5XL-F1110-00-33
RAME COMP.
Цена по
запросу
2
5XL-F117A-00
STAY
Цена по
запросу
3
9580M-06012
Болт
133 ₽
4
5DS-F1420-00
ENGINE BRACKET COMP. 2
Цена по
запросу
5
5DS-E5317-00
PACER, ENGINE MOUNT
Цена по
запросу
6
93410-17X00
Стопор
140 ₽
7
5DS-F1481-00
Vis
Цена по
запросу
8
90185-10154
Гайка самоконтрящаяся
254 ₽
9
5DS-F1410-01
ENGINE BRACKET COMP.
Цена по
запросу
10
90105-106A2
Vis
Цена по
запросу
11
90185-10154
Гайка самоконтрящаяся
254 ₽
12
9582M-10030
Vis
Цена по
запросу
13
2JW-F7114-10
Упор подставки
592 ₽
14
5DS-F1232-00
REINFORCEMENT, TAIL
Цена по
запросу
15
2RN-F4741-00
Damper
Цена по
запросу
16
95814-06016
Болт
152 ₽
17
5NR-F142N-00
BRACKET, RADIATOR
Цена по
запросу
18
9582M-08012
Vis
Цена по
запросу
19
5DS-F7414-00
AMPER, FOOTREST
Цена по
запросу
20
5NR-F118V-00
BRKT., 4
Цена по
запросу
21
9580M-06012
Болт
133 ₽
22
90183-06816
pc - Nut
Цена по
запросу
23
5XL-F116A-00
STAY 1
Цена по
запросу
24
9580L-06012
Болт
149 ₽

Узлы для