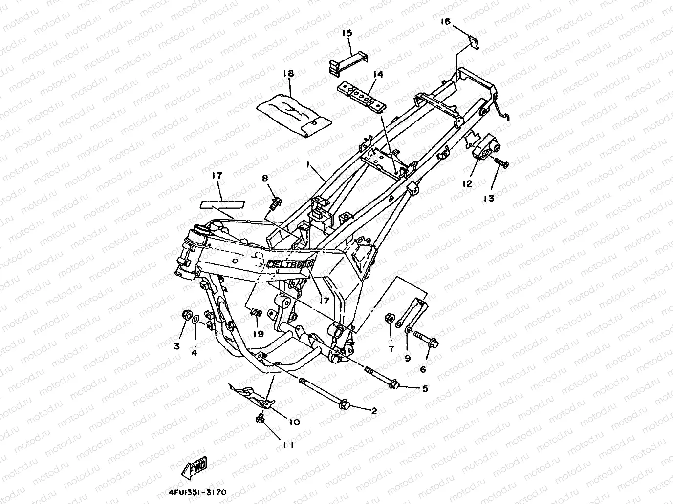
РАМА для TDR125 (4GX1) 1993 YAMAHA TDR 125 (VIN: 4GX)

FRAME
1
4FU-21110-01-35
RAME COMP.
Цена по
запросу
2
90185-10060
Гайка самоконтрящаяся
525 ₽
3
95607-10200
Гайка
604 ₽
4
90201-10M05
Шайба
985 ₽
5
90105-08779
Болт с шайбой
686 ₽
6
95817-08050
Болт
159 ₽
7
90185-08169
Гайка самоконтрящаяся
223 ₽
8
90105-08X15
pc - Vis
Цена по
запросу
9
4FU-21425-00
BRACKET, REAR UPPER 1
Цена по
запросу
10
3MB-21471-00
PROTECTOR, ENGINE
Цена по
запросу
11
95817-06010
Болт
95 ₽
12
26H-21308-01
elmet Hanger Assy
4 765 ₽
13
90149-06154
Болт
159 ₽
14
43G-24181-00
Дэмпфер соединения
2 049 ₽
15
3TJ-82131-00
Ремень
1 033 ₽
16
932 ₽
17
3HE-2118E-00
mblem 1
3 219 ₽
18
1KT-W2810-01
OOL KIT
Цена по
запросу
19
90183-06070
Clip nuts
Цена по
запросу

Узлы для