РАМА для XJ6F XJ6 DIVERSION F (BS11) 2016 YAMAHA XJ6 Diversion

FRAME
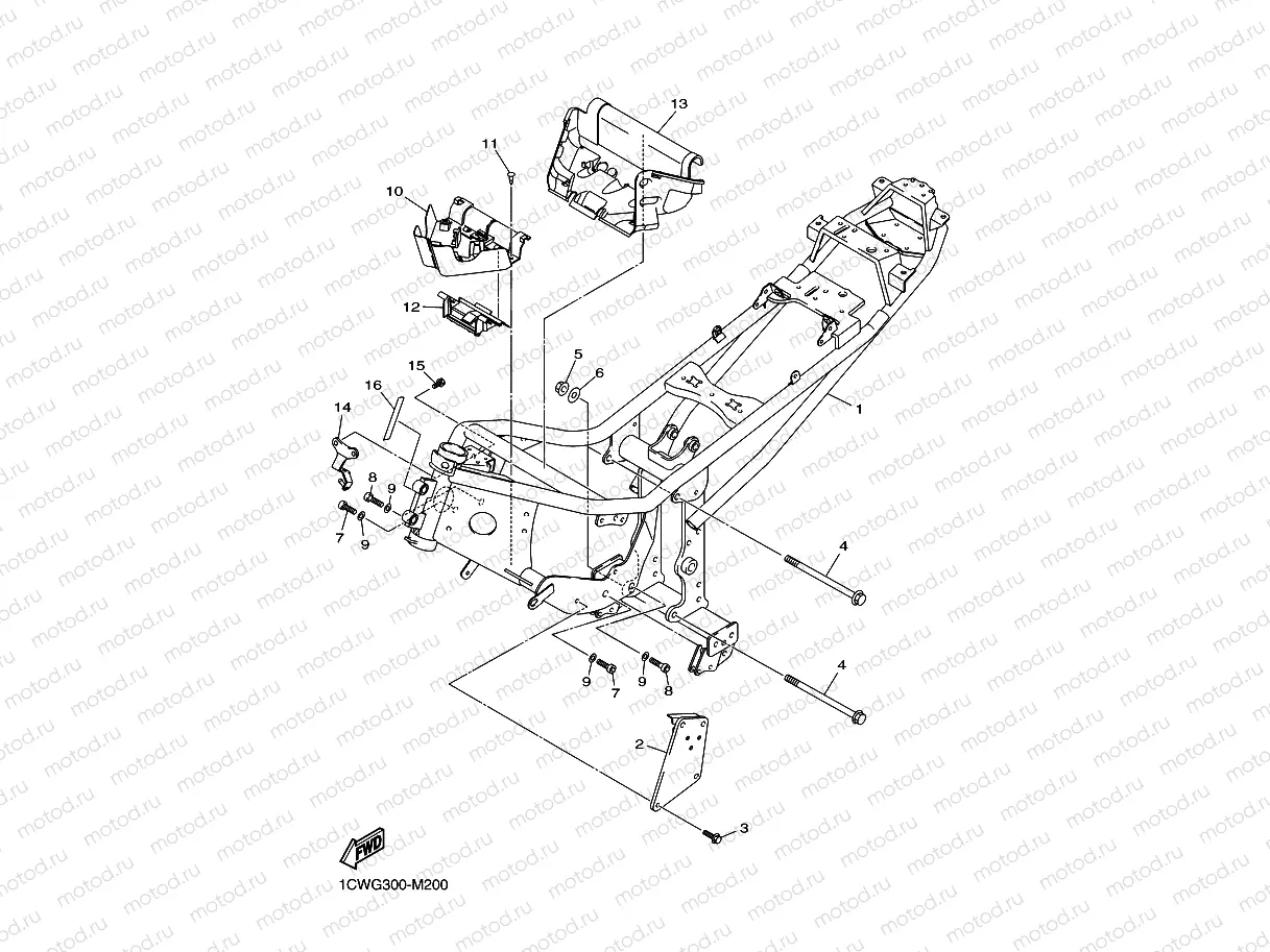
1
1CW-21110-00
Рама
140 983 ₽
2
20S-21136-00
Пластина
4 450 ₽
3
95817-08020
Болт
88 ₽
4
90105-10297
Болт
1 065 ₽
5
95704-10500
Гайка
95 ₽
6
90201-10051
Шайба
238 ₽
7
91314-10035
Болт
413 ₽
8
91312-10045
Болт
318 ₽
9
90201-10030
Шайба
234 ₽
10
20S-2117N-00
Крышка 3
890 ₽
11
90269-07007
Фиксатор
175 ₽
12
20S-2117R-00
Крышка 4
1 327 ₽
13
20S-2117T-00
Крышка 5
4 709 ₽
14
20S-21249-00
Крепление
858 ₽
15
95817-06010
Болт
95 ₽
16
3D8-2117G-00
Защита
540 ₽

Узлы для