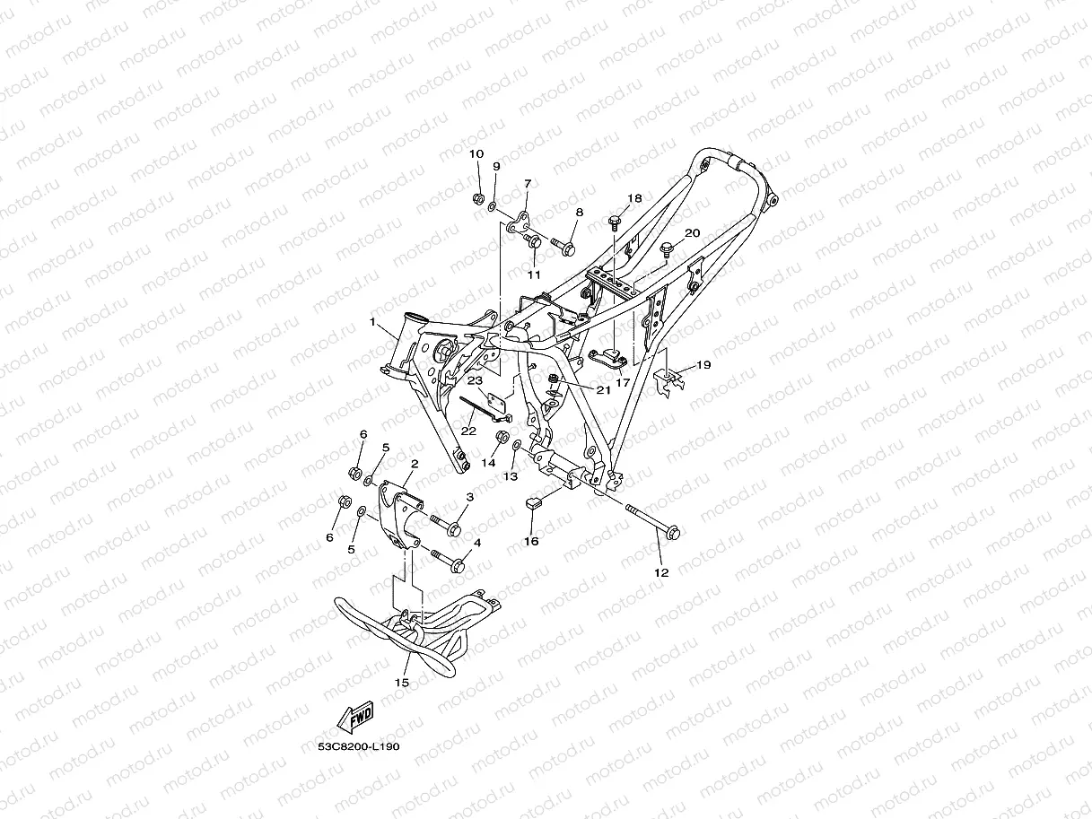
FRAME 2

FRAME 2

Узлы для