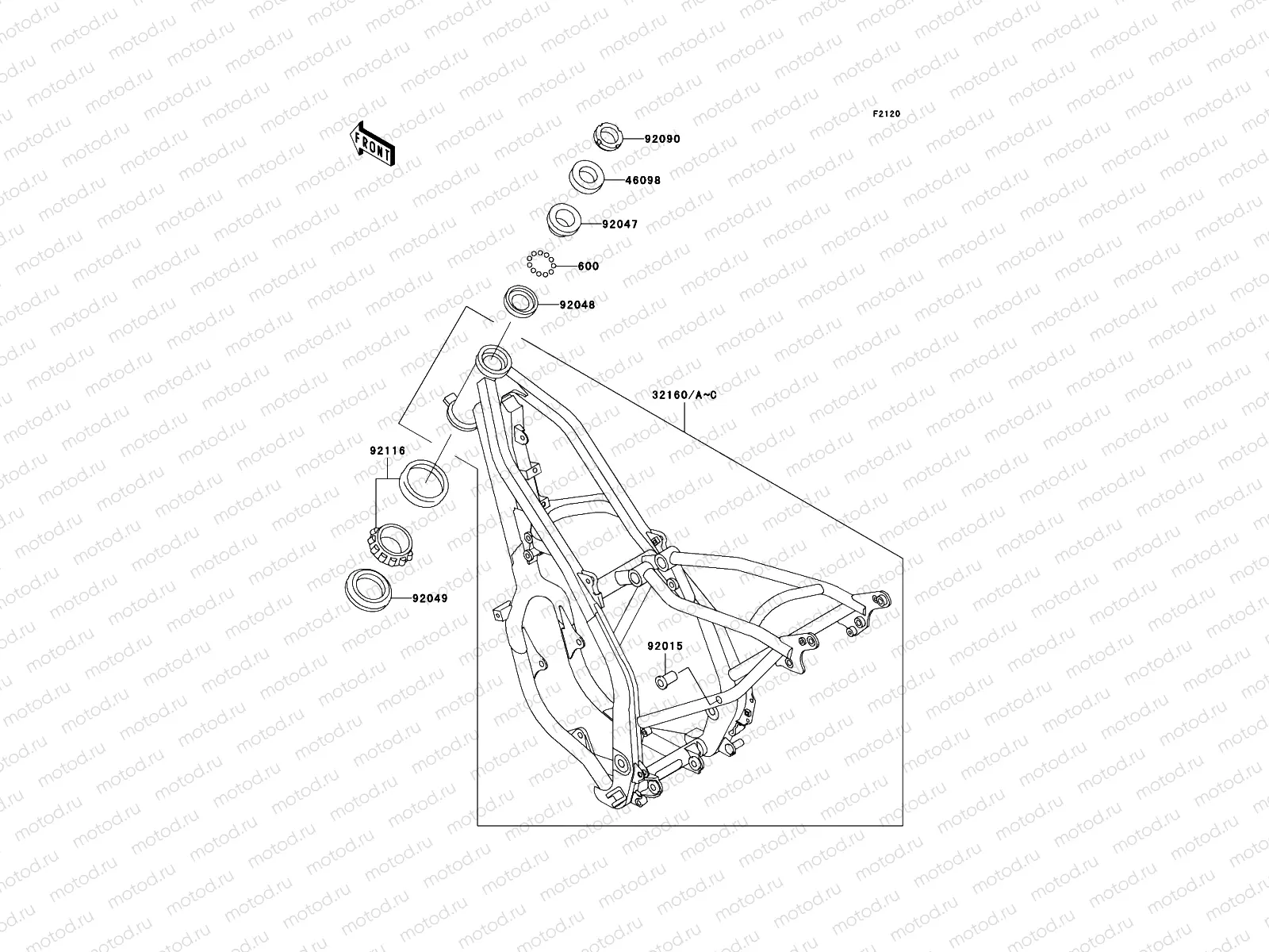
Frame

Frame
600
600A0-600
10 pc - BALL-STEEL,3/16'
800 ₽
32160
32160-1336-CC
FRAME-COMP,L.GREEN
32160
32160-1336-W1
FRAME-COMP,BLUE NO.1
46098
46098-018
CAP,STEERING STEM
434 ₽
92015
92015-1759
NUT,POP,6MM
289 ₽
92047
92048-0035
RACE,STEERING STEM BEARI
997 ₽
92048
92048-0038
RACE,STEERING STEM BEARI
1 116 ₽
92049
92049-1162
SEAL-OIL,XMHE36X52X4J
669 ₽
92090
92090-022
NUT,STEERING STEM
1 607 ₽
92116
92116-1009
BEARING R,HR320/28XJ
1 964 ₽

Узлы для