FORK, REAR & SHOCK ABSORBERS

FORK, REAR & SHOCK ABSORBERS
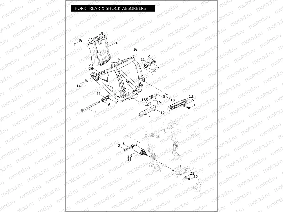
1
3767B
Vis
2
4074A
BOLT, HEX SHOULDER
3
4433
ADJUST SCREW, RR AXLE, HEX SCK
4
4867
SCREW, SEMS/HEX SCKT HD
5
6110
WASHER, HEAT TREATED
6
6534
WASHER, HARDENED, .750X1.750X.
7
6535
WASHER, HARDEDED, .632X1.300X.
8
6724
Rondelle
9
7479
NUT, FLANGE, 5/8-11 UNC-2B
10
BEARING, rear fork pivot
11
11282
RETAIN RING
12
11514
BUMPER, SWINGARM
13
11653
JOUNCE BUMPER
14
41694-08
SPACER, REAR WHEEL, ADJ STR, Z
15
45764-00
FLANGE NUT
16
47573-11BHP
KIT-RR FORK,PNTD/SOFTAIL
16
47573-11BYM
KIT-FORK,RR,DENIM/FLSTFB
16
47694-11BHP
KIT-RR FORK,PNTD/FXCWC
16
47694-11BYM
KIT-RR FORK,BLK DENIM/FXCWC
16
47694-11DGR
KIT-RR FORK COOL BLUE PEARL/FX
16
47694-11DBJ
KIT-RR FORK,SCARLET RED/FXCWC
17
47610-08
PIVOT SHAFT
17
47670-08
PIVOT SHAFT
18
48048-00A
BUSHING, SWING ARM
19
48619-07A
SPACER, RH, NRW, 1-GRV/1.569 L
19
48076-08
BUSHING, LH, SWG ARM
19
48104-08
BUSHING, RH, SWINGARM
19
48049-08
BUSHING, LH, SWINGARM
20
54508-00B
SHOCK ABSORBER, REAR
20
54549-04
SHOCK ABSORBER REAR
20
54510-09
SHOCK ABSORBER,RR
21
56182-00A
BUSHING
22
56183-00
WASHER AND GROMMET ASSY
23
60271-08
BRACKET ASY,REFLECTOR/SWGARM
24
60363-11
SPLASHGUARD, 150MM TIRE
24
60456-11
SPLASHGUARD, 200MM TIRE
25
54508-00B
SHOCK ABSORBER, REAR
25
54549-04
SHOCK ABSORBER REAR
26
59405-09
REFLECTOR ASY,AMBER,OBLONG/SWG

Узлы для