FORK, REAR AND SHOCK ABSORBERS

FORK, REAR AND SHOCK ABSORBERS
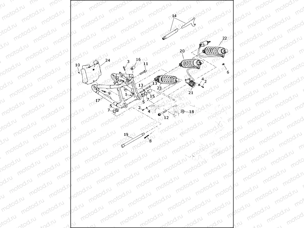
1
755
PLUG
Цена по
запросу
2
942
SCREW, HEX SOC.
Цена по
запросу
3
3210A
SCREW, SOCKET HEAD
Цена по
запросу
4
6110
WASHER, HEAT TREATED
Цена по
запросу
5
9209
BEARING SPHERICAL
Цена по
запросу
6
10006
CABLE STRAP
Цена по
запросу
6
10177
CABLE STRAP, PLUG IN
Цена по
запросу
7
11282
RETAIN RING
Цена по
запросу
8
10200-469
SCREW,SKT HEAD CAP,SEMS
Цена по
запросу
9
10200-515
SCREW,3/8-16UNRC-2AX1.500,12 P
Цена по
запросу
10
10200-716
SCREW,HEX HD,SEMS
Цена по
запросу
11
10500-088
SCREW,CUST,.5-13X2.75LONG,SMOO
Цена по
запросу
12
10500-095
SCREW,CUST,HEX,FLANGE,.5-13X4.
Цена по
запросу
13
10500-123
SCREW,CUST,SEMS,SKT HD CAP
Цена по
запросу
14
14900-102
KIT,TOOL,SPANNER WRENCH
Цена по
запросу
15
47400-086
SPACER,SWGARM BRG,LH,NAR
Цена по
запросу
16
47400-124BHP
SWINGARM,BELT SLOT SPACER
Цена по
запросу
17
47400-099BHP
SWINGARM,W/BRGS,GLS BLK
Цена по
запросу
17
47400-100BHP
SWINGARM,W/BRGS,GLS BLK
Цена по
запросу
17
47400-109BHP
SWINGARM,ASSY,PNTD,NAR,W/BRGS,
Цена по
запросу
18
47500-006
PIVOT NUT,SWINGARM
Цена по
запросу
19
47500-014
SHAFT,SWGARM PVT,NAR
Цена по
запросу
19
47500-016
SHAFT,SWGARM PVT,WIDE
Цена по
запросу
20
54000-111
SHOCK,RR,56MM,STROKE
Цена по
запросу
20
54000-112
SHOCK,RR,43MM,STROKE,WIDE,TIRE
Цена по
запросу
21
54000-137
RR SPNSN MISC CMPNT,KNOB,ADJ,P
Цена по
запросу
22
54000-110
SHOCK,RR,43MM,STROKE
Цена по
запросу
22
54000-138
SHOCK,RR,56MM,STROKE
Цена по
запросу
23
54000-140
SHOCK,RR,43MM STROKE,CAM ADJUS
Цена по
запросу
24
59600-030
MUD FLAP,TIRE,150/180 TIRE
Цена по
запросу
24
59600-032
MUD FLAP,TIRE,240 TIRE
Цена по
запросу

Узлы для