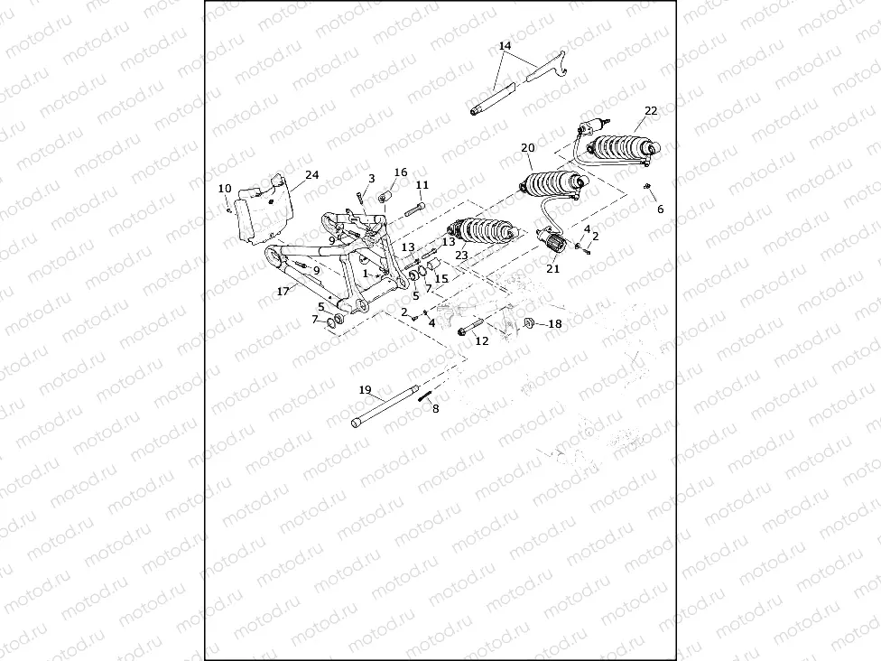
FORK, REAR AND SHOCK ABSORBERS

FORK, REAR AND SHOCK ABSORBERS
1
755
PLUG
2
942
SCREW, HEX SOC.
3
3210A
SCREW, SOCKET HEAD
4
6110
WASHER, HEAT TREATED
5
9209
BEARING SPHERICAL
6
10006
CABLE STRAP
6
10177
CABLE STRAP, PLUG IN
7
11282
RETAIN RING
8
10200-469
SCREW,SKT HEAD CAP,SEMS
9
10200-515
SCREW,3/8-16UNRC-2AX1.500,12 P
10
10200-716
SCREW,HEX HD,SEMS
11
10500-088
SCREW,CUST,.5-13X2.75LONG,SMOO
12
10500-095
SCREW,CUST,HEX,FLANGE,.5-13X4.
13
10500-123
SCREW,CUST,SEMS,SKT HD CAP
14
14900-102
KIT,TOOL,SPANNER WRENCH
15
47400-086
SPACER,SWGARM BRG,LH,NAR
16
47400-124BHP
SWINGARM,BELT SLOT SPACER
16
47400-124BYM
SWINGARM,BELT SLOT SPACER
17
47400-099BHP
SWINGARM,W/BRGS,GLS BLK
17
47400-099BYM
SWINGARM,W/BRGS,BLK DNM
17
47400-100BHP
SWINGARM,W/BRGS,GLS BLK
17
47400-109BYM
SWINGARM,W/BRGS,BLK DNM
18
47500-006
PIVOT NUT,SWINGARM
19
47500-014
SHAFT,SWGARM PVT,NAR
19
47500-016
SHAFT,SWGARM PVT,WIDE
20
54000-111
SHOCK,RR,56MM,STROKE
20
54000-112
SHOCK,RR,43MM,STROKE,WIDE,TIRE
21
54000-137
RR SPNSN MISC CMPNT,KNOB,ADJ,P
22
54000-110
SHOCK,RR,43MM,STROKE
22
54000-138
SHOCK,RR,56MM,STROKE
23
54000-140
SHOCK,RR,43MM STROKE,CAM ADJUS
24
59600-030
MUD FLAP,TIRE,150/180 TIRE
24
59600-032
MUD FLAP,TIRE,240 TIRE

Узлы для