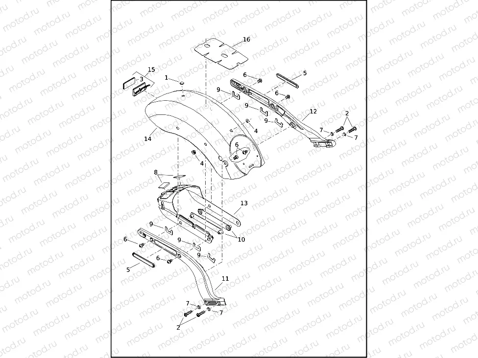
FENDERS AND SUPPORTS, REAR - FXBBS, FXST

FENDERS AND SUPPORTS, REAR - FXBBS, FXST
1
761
5 pc - PLUG, HOLE, .406 DIA, BLACK
2
3056
SCREW, BTN HD/TORX
3
59259-90
REFLECTOR,RED
4
59768-97
FENDER/SEAT NUT KIT
5
69490-07
REFLECTOR,RED,OBLONG
5
60254-07
REFLECTOR,AMBER,OBLONG
6
10200-521
SCREW,SEMS,BTN HD,TORX,LOCK
7
10300-116
WASHER,FLAT
8
11100-010
TAPE,PAD MTG
9
11100-066
PAD,WIRE RETENTION/ADHESIVE
10
57300-091
BRKT,BODYWORK MTG,NUTPLATE
11
59500-422
SUPPORT,RR FND,RH
12
59500-423
SUPPORT,RR FND,LH
13
59500-448
SUPPORT,RR FND,REINFORCEMENT
14
59500-454
FENDER,RR,PRIME
15
67900-390
BRKT,REFL MT,CENTER,ASSY
16
11100-288
TAPE,PROTECTIVE,FENDER

Узлы для