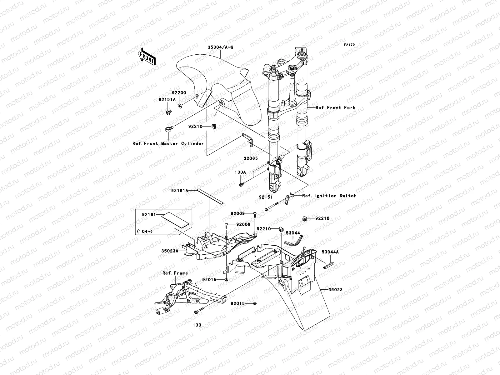
Fenders

Fenders
130
130CB-0640
Vis
144 ₽
130
130BA-0616
5 pc - Vis
80 ₽
32065
32065-1358
BRACKET-FENDER
1 986 ₽
35004
35004-1454-723
フエンダ(フロント),ブル-
24 868 ₽
35023
35023-1581
FENDER-REAR,RR
Цена по
запросу
35023
35023-1585
FENDER-REAR,FR
7 789 ₽
53044
53044-1137
TRIM
723 ₽
53044
53044-1324
TRIM,L=48
208 ₽
92009
92009-1656
pc - SCREW
238 ₽
92015
92015-1752
NUT,LOCK,FLANGED,5MM
257 ₽
92151
92151-1131
Vis (6x40)
289 ₽
92151
92151-1654
Vis
115 ₽
92161
92161-0172
DAMPER,REAR FENDER
274 ₽
92161
92161-1169
Damper
274 ₽
92200
92200-1388
Rondelle
119 ₽
92210
92210-0277
Nut (6 mm)
225 ₽

Узлы для