FENDER

FENDER
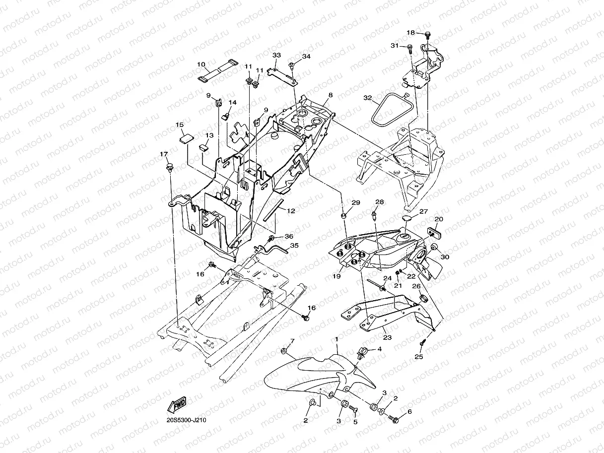
1
5VX-21511-A0-P3
Крыло переднее (чёрное)
6 568 ₽
1
5VX-21511-A0-P9
Крыло переднее (синее)
6 568 ₽
2
90387-06159
Втулка
159 ₽
3
90480-12072
Втулка
191 ₽
4
90464-18002
Хомут
175 ₽
5
90110-06202
Болт
175 ₽
6
95024-06030
Болт
159 ₽
7
95780-06500
Гайка
95 ₽
8
20S-21611-00
Крыло заднее
2 793 ₽
9
90183-06069
Гайка-скоба
350 ₽
10
7H3-82131-00
Ремень
699 ₽
11
90480-07003
Втулка демпфирующая
136 ₽
12
5JW-2174X-00
Демпфер
140 ₽
13
20S-216A2-00
Уплотнение 2
172 ₽
14
20S-216A3-00
Уплотнение 3
218 ₽
15
20S-216A4-00
Уплотнение 4
202 ₽
16
95817-06012
Болт
95 ₽
17
90269-07010
Клипса
175 ₽
18
95817-06010
Болт
95 ₽
19
20S-21629-00
Крыло заднее
1 857 ₽
20
3Y6-85130-02
Катафот
2 289 ₽
21
95617-05100
Гайка
207 ₽
22
90201-05043
Гайка
175 ₽
23
20S-21688-01
Крепление
6 172 ₽
24
90464-20005
Хомут
254 ₽
25
90160-05012
Винт
143 ₽
26
90480-23345
Втулка
207 ₽
27
4KN-2836B-10
Эмблема
1 971 ₽
28
90269-07001
Заклёпка (фиксатор)
175 ₽
29
90387-06232
Втулка
172 ₽
30
5JW-24741-00
Демпфер
381 ₽
31
91317-08025
Болт
95 ₽
32
3YX-21376-00
Ремень (резинка) крепления инструментов
1 192 ₽
33
20S-21677-01
Пластина
422 ₽
34
90269-06008
Заклёпка (пластиковая-черная)
159 ₽
35
20S-2115J-01
Крепление
562 ₽
36
95817-06012
Болт
95 ₽

Узлы для