F-38 РАДИАТОР для Fourtrax 680 Rincon 2007 HONDA (VIN: 1HFTE330)

F-38 RADIATOR
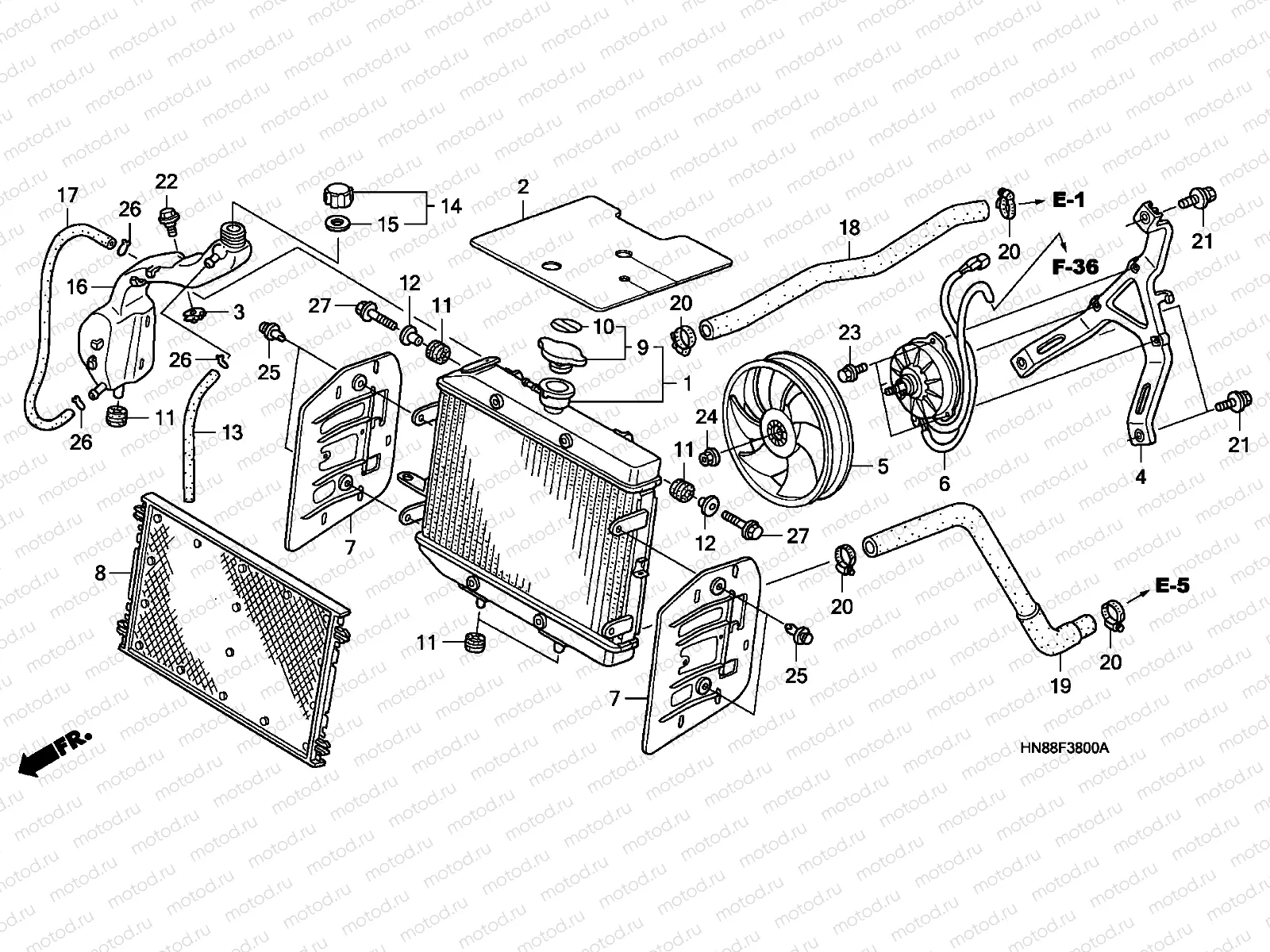
1
19010-HN8-A61
Radiateur - refroidisseur d’eau
Цена по
запросу
2
19011-HN8-A60
RUBBER, RADIATOR
Цена по
запросу
3
19014-KEA-003
NUT, SETTING (6MM)
239 ₽
4
19015-HN8-000
STAYFAN
Цена по
запросу
5
19020-HN2-003
FAN COMP., COOLING
6 820 ₽
6
19030-HN2-013
MOTOR ASSY., FAN
Цена по
запросу
7
19033-HN8-000
COVER, RADIATOR GRILLE
Цена по
запросу
8
19035-HN8-000
PLATE, RADIATOR GRILLE
Цена по
запросу
9
19037-GEE-710
CAP COMP., RADIATOR (T.RA
2 847 ₽
10
19046-PAA-A00
LABEL, RADIATOR CAP
165 ₽
10
19055-MV9-881
Autocollant
502 ₽
11
19051-KA3-830
Damper (Radiator)
307 ₽
12
19052-MGH-640
Entretoise
228 ₽
13
19104-HN8-000
TUBE, RESERVE TANK BREATH
Цена по
запросу
14
19105-MG8-000
CAP ASSY., RESERVE TANK
1 164 ₽
15
19107-MG8-000
PACKING, RESERVE TANK
283 ₽
16
19110-HN8-000
TANK, RADIATOR RESERVE
Цена по
запросу
17
19111-HN8-000
TUBE, RADIATOR RESERVE
Цена по
запросу
18
19505-HN8-000
OSE, UPPER WATER
Цена по
запросу
19
19506-HN8-000
OSE, LOWER WATER
Цена по
запросу
20
19517-ML7-691
Collier (27)
771 ₽
21
90107-HN8-003
BOLT-WASHER, 6X15
Цена по
запросу
22
425 ₽
23
181 ₽
24
90315-MK3-003
NUT, SERRATE, 5MM
215 ₽
25
90653-HC4-900
Rivet - panel fixing
283 ₽
26
95002-02100
Collier
55 ₽
27
95701-060-2200
Bolt, flange, 6x22
69 ₽

Узлы для