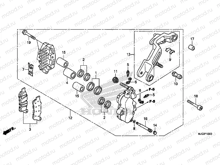
F-13 B. FRONT BRAKE CALIPER

F-13 B. FRONT BRAKE CALIPER
1
06431-MA3-405
Kit de réparation pour de frein
912 ₽
2
06451-MZ2-405
Kit de réparation pour de frein
991 ₽
3
06455-MCA-016
Plaquette de frein
9 031 ₽
4
43107-MBG-006
PISTON, 27X27
2 170 ₽
5
43352-568-003
SCREW, BLEEDER (NISSIN) (NISSIN)
354 ₽
6
43353-461-771
CAP, BLEEDER
338 ₽
7
45108-MZ2-016
SPRING, PAD
928 ₽
8
45111-MAJ-G41
RING, STOPPER
315 ₽
9
45112-MZ2-006
RETAINER, BRACKET
487 ₽
10
45132-166-016
BOOT, PIN BUSH (NISSIN)
346 ₽
11
45133-MA3-006
BOOT B
409 ₽
12
45150-MJG-671
CALIPER SUB ASSY (LH NISSIN)
52 360 ₽
13
45190-MJG-671
BRKT SUB ASSYL F
12 716 ₽
14
45203-MCC-006
PLUG, PIN
330 ₽
15
45207-MAJ-G41
PISTON B, 22X35
2 170 ₽
16
45215-MAJ-G41
PIN, HANGER
818 ₽
17
45442-MAT-000
COLLAR, L. CALIPER BRACKE
390 ₽
18
90132-MZ2-000
Vis
640 ₽
19
90135-MAJ-G41
Vis
393 ₽

Узлы для