EXHAUST SYSTEM Sport 400L W958540 (4930133013A011) | EXHAUST SYSTEM Sport 400L W958540 (4930133013A011)

EXHAUST SYSTEM Sport 400L W958540 (4930133013A011) | EXHAUST SYSTEM Sport 400L W958540 (4930133013A011)
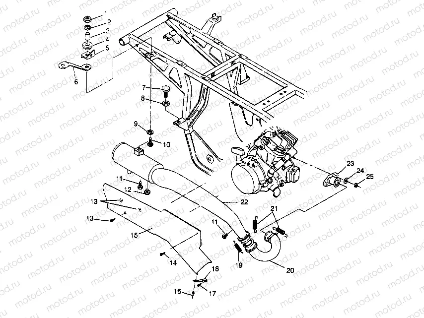
1
7542324
Nut (SELF-LOCKING)
Цена по
запросу
2
7555716
Rondelle
Цена по
запросу
3
5010192
BUSHING
Цена по
запросу
4
5412508
DAMPENER-VIBRATION
Цена по
запросу
5
5220901-067
BRKT,RH SUPPORT RACK Substituted by 5243469-067
Цена по
запросу
6
5220902-067
SUPPORT R.FENDER
Цена по
запросу
7
3110030
MOUNT, MOTOR
Цена по
запросу
8
7542432
NUT JAM
Цена по
запросу
9
5410436
Rondelle (Rubber)
Цена по
запросу
10
7515316
Vis
Цена по
запросу
11
7512666
Vis
Цена по
запросу
12
7052083
PLUG, CLEANOUT
Цена по
запросу
13
7515140
Vis
Цена по
запросу
14
7512282
BOLT BLACK
Цена по
запросу
15
1260717
HEATSHIELD ASM.
Цена по
запросу
16
7621462
RIVET
Цена по
запросу
17
7512252
SCREW(10)
Цена по
запросу
18
5240594-067
BRKT,HEAT SHIELD,BLK.
Цена по
запросу
19
7041687
Spring
Цена по
запросу
20
1260549-029
HEADPIPE WELD.
Цена по
запросу
21
7042029
Spring
Цена по
запросу
22
1260588-029
"""EXHAUST WELD BLK (350)"""
Цена по
запросу
23
1260543-029
MANIFOLD, BLK.
Цена по
запросу
24
LR--
CALIPER, BRAKE, RH
Цена по
запросу

Узлы для