EXHAUST SYSTEM 6X6 350L W938739 (4924062406007A) | EXHAUST SYSTEM 6X6 350L W938739 (4924062406007A)

EXHAUST SYSTEM 6X6 350L W938739 (4924062406007A) | EXHAUST SYSTEM 6X6 350L W938739 (4924062406007A)
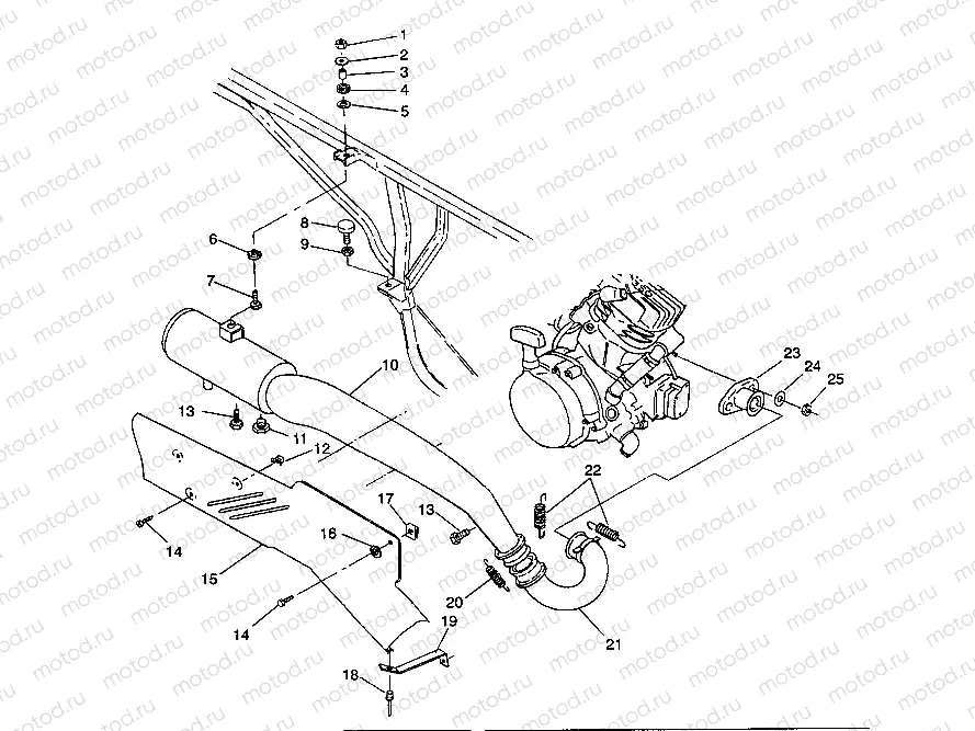
1
7542324
Nut (SELF-LOCKING)
2
7555716
Rondelle
3
5010192
BUSHING
4
5410436
Rondelle (Rubber)
5
7555781
BUSHING
6
5412508
DAMPENER-VIBRATION
7
7515316
Vis
8
3110030
MOUNT, MOTOR
9
7542432
NUT JAM
10
1260616-029
"""EXHAUST WELD (350-6X6)BLK."""
11
7052083
PLUG, CLEANOUT
12
7542141
NUT RETAINER
13
7512666
Vis
14
7512282
BOLT BLACK
15
1260620
"""HEATSHIELD ASM."""
16
7558301
WASHER FLAT
17
7670060
NUT SPEED
18
7621462
RIVET
19
5240179-067
BRKT,BLK,HEATSHIELD
20
7041687
Spring
21
1260549-029
HEADPIPE WELD.
22
7042029
Spring
23
1260543-029
MANIFOLD, BLK.
24
3080530
Rondelle (Lock)
25
3087199
Nut

Узлы для