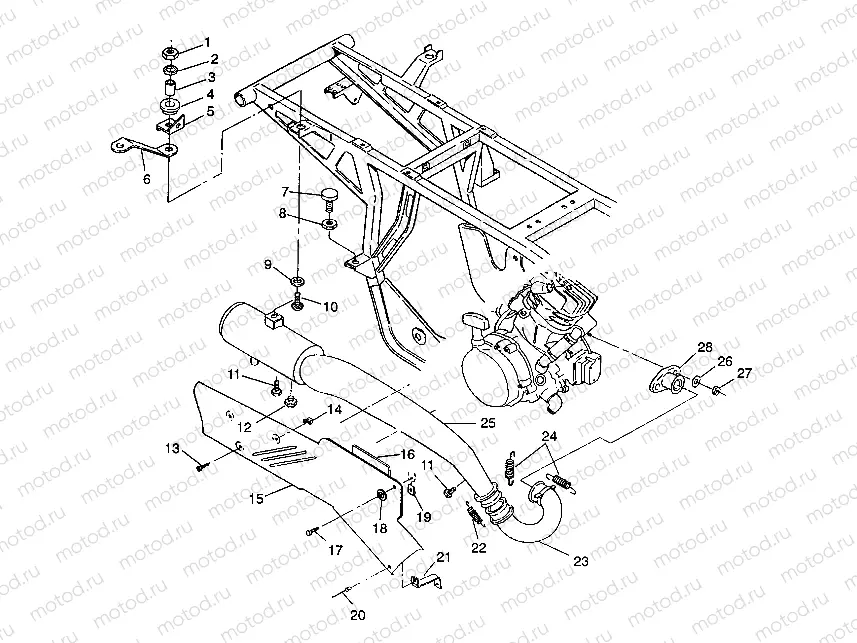
EXHAUST SYSTEM 4X4 350L W938139 (4924052405006A) | EXHAUST SYSTEM 4X4 350L W938139 (4924052405006A)

EXHAUST SYSTEM 4X4 350L W938139 (4924052405006A) | EXHAUST SYSTEM 4X4 350L W938139 (4924052405006A)
1
7542324
Nut (SELF-LOCKING)
Цена по
запросу
2
7555716
Rondelle
Цена по
запросу
3
5010192
BUSHING
Цена по
запросу
4
5412508
DAMPENER-VIBRATION
Цена по
запросу
5
5220901-067
BRKT,RH SUPPORT RACK Substituted by 5243469-067
Цена по
запросу
6
5220902-067
SUPPORT R.FENDER
Цена по
запросу
7
3110030
MOUNT, MOTOR
Цена по
запросу
8
7542432
NUT JAM
Цена по
запросу
9
5410436
Rondelle (Rubber)
Цена по
запросу
10
7515316
Vis
Цена по
запросу
11
7512666
Vis
Цена по
запросу
12
7052083
PLUG, CLEANOUT
Цена по
запросу
13
7512024
Vis
Цена по
запросу
14
7670071
NUT, RETAINER(10)
Цена по
запросу
15
2200396
SHIELD ASM MUFFLER
Цена по
запросу
16
5810510
INSULATION
Цена по
запросу
17
7512282
BOLT BLACK
Цена по
запросу
18
7558301
WASHER FLAT
Цена по
запросу
19
7670060
NUT SPEED
Цена по
запросу
20
7621462
RIVET
Цена по
запросу
21
5222549-067
BRKT,MUFFLER SHIELD
Цена по
запросу
22
7041687
Spring
Цена по
запросу
23
1260549-029
HEADPIPE WELD.
Цена по
запросу
24
7042029
Spring
Цена по
запросу
25
1260588-029
"""EXHAUST WELD BLK (350)"""
Цена по
запросу
26
3080530
Rondelle (Lock)
Цена по
запросу
27
3087199
Nut
Цена по
запросу
28
1260543-029
MANIFOLD, BLK.
Цена по
запросу

Узлы для