EXHAUST

EXHAUST
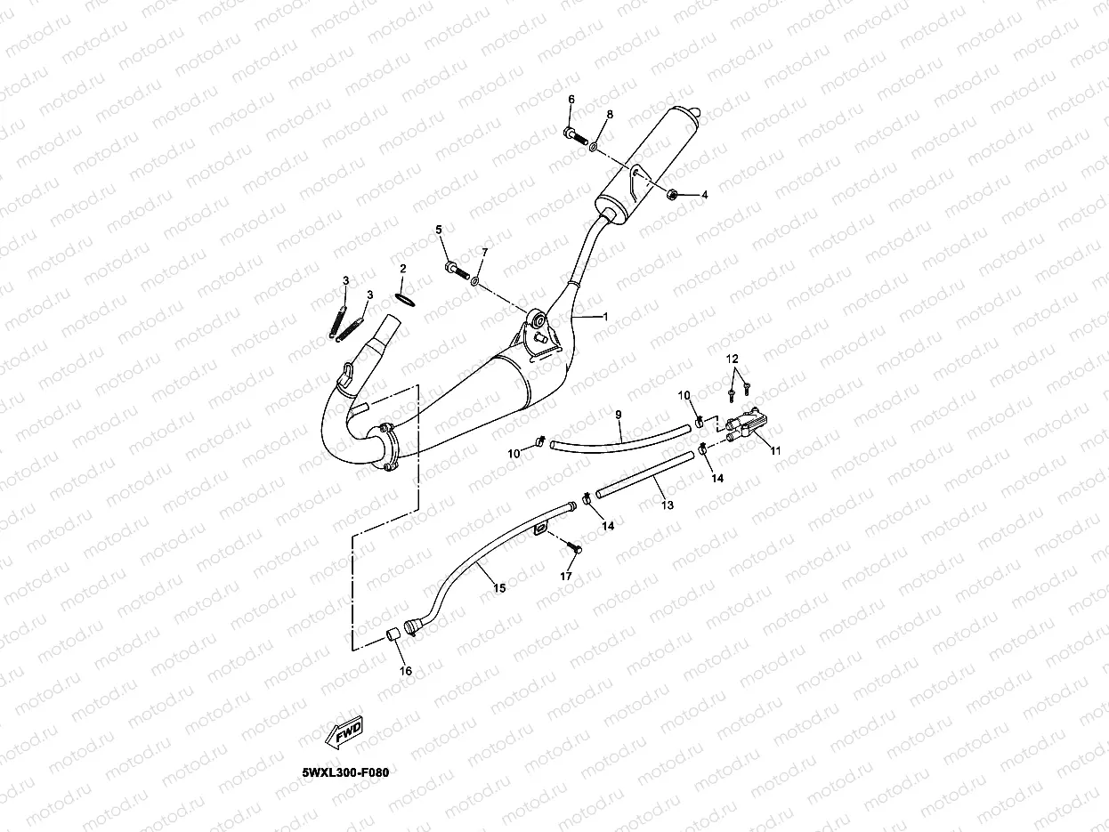
1
5WX-E4703-21
Exhaust
2
93210-25X00
5 pc - O-Ring
3
90506-18856
10 pc - Spring
4
9570M-08500
Nut, Flange
149 ₽/шт
5
9582M-08035
Bolt
85 ₽/шт
6
9582M-08016
Vis
7
9290M-08600
Rondelle
8
90201-08X08
Шайба
101 ₽/шт
9
5WX-E4874-00
PIPE 4
10
90468-08104
Хомут самозажимной
175 ₽/шт
11
5WX-E4803-00
AIR INDUCTION SYSTEM ASSY
12
9850M-06012
Винт
140 ₽/шт
13
5WX-E4873-10
PIPE 3
14
90468-08104
Хомут самозажимной
175 ₽/шт
15
5WX-E4872-00
PIPE 2
16
4KM-14714-01
Втулка уплотнительная
1 399 ₽/шт
17
9581L-06012
10 pc - Vis

Узлы для