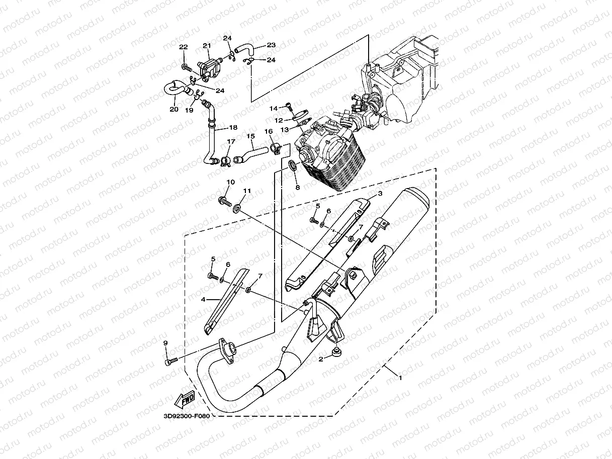
EXHAUST

EXHAUST
1
3D9-Y1471-11
Exhaust Pipe Assy
141 853 ₽
2
22W-24741-00
Втулка демпфирующая
270 ₽
3
3D9-E4758-10
PROTECTOR, SILENCER
Цена по
запросу
4
3D9-E4728-00
Silencer protector
Цена по
запросу
5
98980-06012
Винт
95 ₽
6
90201-05803
Шайба
172 ₽
7
90201-05016
Шайба
207 ₽
8
5VL-E4613-00
xhaust gasket
Цена по
запросу
9
91314-06020
Болт
95 ₽
10
95812-08020
Болт
159 ₽
11
90201-08840
Шайба
101 ₽
12
3D9-E113F-00
Пластина
484 ₽
13
5VL-E4815-00
Прокладка
390 ₽
14
9131M-06016
Болт
1 653 ₽
15
3D9-E4881-00
Трубка
406 ₽
16
90467-16800
Хомут
175 ₽
17
90467-19051
Clip
127 ₽
18
3D9-E4873-00
Трубка
1 639 ₽
19
90467-18806
Хомут
149 ₽
20
3D9-E4882-00
Трубка
592 ₽
21
3D9-E4803-00
Блок индукционный
6 918 ₽
22
9201N-06012
Vis
Цена по
запросу
23
3D9-E4883-00
Трубка
172 ₽
24
90467-14802
Хомут
101 ₽

Узлы для