ENGINE/MUFFLER MOUNTING 350 4X4 - Update (4919831983005A) | ENGINE/MUFFLER MOUNTING 350 4X4 - Update (4919831983005A)

ENGINE/MUFFLER MOUNTING 350 4X4 - Update (4919831983005A) | ENGINE/MUFFLER MOUNTING 350 4X4 - Update (4919831983005A)
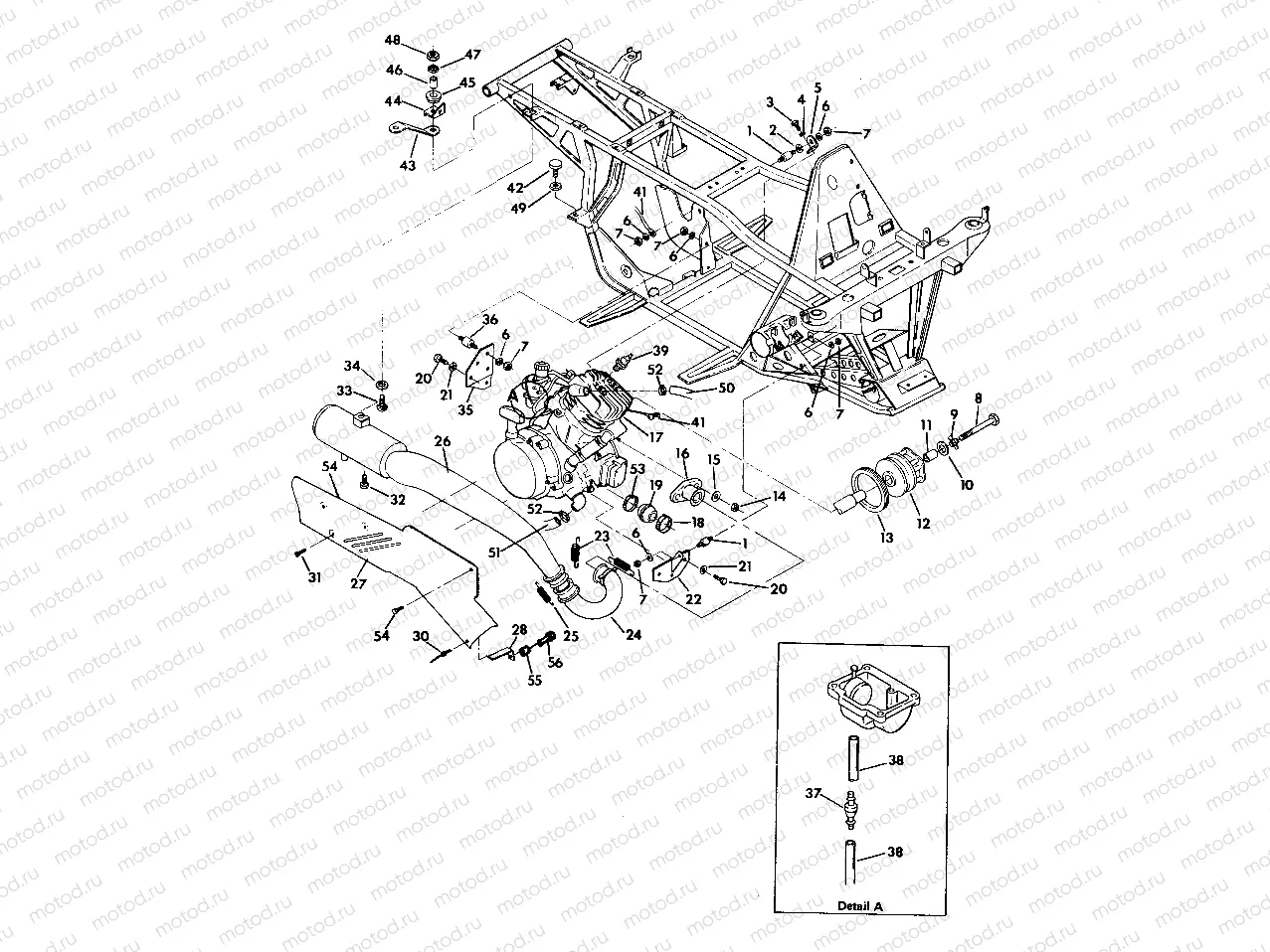
1
3022067
MOUNT MOTOR
Цена по
запросу
2
5430802
INSULATOR MOTOR MT.
Цена по
запросу
3
7515321
Vis
Цена по
запросу
4
7552901
Rondelle (Lock)
Цена по
запросу
5
5222415
"""MOUNT ENG.TOP"""
Цена по
запросу
6
7555801
Rondelle
Цена по
запросу
7
7542403
NUT LOCK
Цена по
запросу
8
7512566
Vis
Цена по
запросу
9
7575202
Rondelle (Lock)
Цена по
запросу
10
5210748
Rondelle
Цена по
запросу
11
5430261
BUSHING
Цена по
запросу
12
1321976
ASM-DRIVE CLUTCH WIDE
Цена по
запросу
13
5412637
SEAL-COVER CASE ENGINE
Цена по
запросу
14
3087199
Nut
Цена по
запросу
15
3080530
Rondelle (Lock)
Цена по
запросу
17
1211466
ENG.EC35PL-02 [No Longer Available]
Цена по
запросу
18
7080346
CABLE, TIE
Цена по
запросу
19
5410421
BOOT CLUTCH INTAKE
Цена по
запросу
20
7512490
Vis
Цена по
запросу
21
7552603
Rondelle (Lock)
Цена по
запросу
22
1040231-067
MOUNT ENGINE
Цена по
запросу
23
7042029
Spring
Цена по
запросу
24
1260549
HEADPIPE WELD. Substituted by 1260549-029
Цена по
запросу
25
7041687
Spring
Цена по
запросу
26
1260547-029
"""MUFFLER"""
Цена по
запросу
27
5222417
SHIELD, MUFFLER Substituted by 5222417-067
Цена по
запросу
28
5222549
BRKT,MUFFLER SHIELD Substituted by 5222549-067
Цена по
запросу
30
7621462
RIVET
Цена по
запросу
31
7512027
Vis
Цена по
запросу
32
7512666
Vis
Цена по
запросу
33
7516316
DESC NOT_AVAILABLE
Цена по
запросу
34
5410436
Rondelle (Rubber)
Цена по
запросу
35
5222416
MOUNT, REAR, ATV Substituted by 5222416-067
Цена по
запросу
36
3022068
ISOLATOR-3/8-24M/M 60DURO
Цена по
запросу
37
7051011
VALVE CHECK
Цена по
запросу
38
8360009-600
LINE FUEL 1/8 ID 600 CM.
Цена по
запросу
39
3070156
Bougie d'allumage
Цена по
запросу
41
4010067
CABLE,GROUND/ENG.
Цена по
запросу
42
3110030
MOUNT, MOTOR
Цена по
запросу
45
5412508
DAMPENER-VIBRATION
Цена по
запросу
46
5010192
BUSHING
Цена по
запросу
47
7555716
Rondelle
Цена по
запросу
48
7542324
Nut (SELF-LOCKING)
Цена по
запросу
49
7542432
NUT JAM
Цена по
запросу
50
5410470
O RING
Цена по
запросу
51
5411173
HOSE LOWER ENGINE
Цена по
запросу
52
7080225
CLAMP-HOSE Substituted by 7080547
Цена по
запросу
53
7080136
Collier
Цена по
запросу
54
5810510
INSULATION
Цена по
запросу
55
5020607
Entretoise
Цена по
запросу
56
7515110
Vis
Цена по
запросу

Узлы для