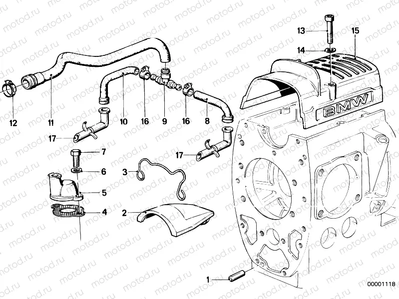
Engine ventilation

Engine ventilation
1
07119941485
Roll pin
2
11141255793
Couvrir
3
11141337171
WIRE-STRAP
4
11151338431
Gasket
5
11151335756
Breather
6
07119932098
WAVE WASHER
7
07119920057
Vis (Torx)
8
13721337511
Vent hose, left
9
13721337108
DISTRIBUTION PIECE
10
13721337512
Vent hose, right
11
11151337257
Vent hose
12
07129952109
Collier
13
07129905539
Vis (ISA)
14
07119932099
Rondelle
14
07119904496
WAVE WASHER
15
11141336996
Couvrir
16
13721337342
Collier
17
13721337492
Extension

Узлы для