ENGINE MOUNTING - W005199I (4955825582C003) | ENGINE MOUNTING - W005199I (4955825582C003)

ENGINE MOUNTING - W005199I (4955825582C003) | ENGINE MOUNTING - W005199I (4955825582C003)
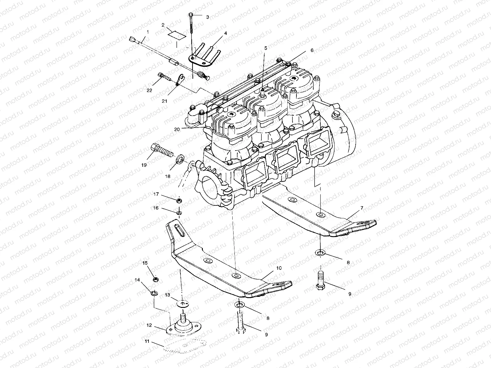
1
2410187
SWITCH,TEMP,W/CONNECTOR
Цена по
запросу
2
7077026
Bougie d'allumage
Цена по
запросу
3
7515149
SCREW SHOULDER S.S.
Цена по
запросу
4
5242476
GROUND,SPARKPLUG,3CYL
Цена по
запросу
6
LR--
CALIPER, BRAKE, RH
Цена по
запросу
7
5630585
PLATE,F.MOUNT Substituted by 5631128
Цена по
запросу
8
7552609
Rondelle (Lock)
Цена по
запросу
9
7517330
SCREW SS.
Цена по
запросу
10
5630584
PLATE,R.MOUNT Substituted by 5631129
Цена по
запросу
11
5244508
PLATE,REPAIR,GEN.FRT MNT
Цена по
запросу
12
3021103
MOUNT-ENGINE,PWC Substituted by 3021208
Цена по
запросу
13
5211727
SHIM ENG.MT.
Цена по
запросу
14
7552610
Rondelle (Lock)
Цена по
запросу
15
7517627
"""SCREW(10)"""
Цена по
запросу
16
7555848
WASHER FLAT S.S.
Цена по
запросу
17
7542725
NUT, NYLOK, S.S.(10) Substituted by 7547001
Цена по
запросу
18
7556055
Rondelle (Lock)
Цена по
запросу
19
7517497
BOLT SS.
Цена по
запросу
20
2201704
SHORTBLOCK,W120-TCSP-02A The Short Block assembly contains a crankcase assembly, cylinder and cylinder head assembly, and a piston & crankshaft assembly.
Цена по
запросу
21
5240876
CLIP,RETAIN,TEMP.SW.
Цена по
запросу
22
7516603
BOLT(1)
Цена по
запросу

Узлы для