ENGINE MOUNTING SLTX B964590 and Intl. SLTX I964590 (4935783578B001) | ENGINE MOUNTING SLTX B964590 and Intl. SLTX I964590 (4935783578B001)

ENGINE MOUNTING SLTX B964590 and Intl. SLTX I964590 (4935783578B001) | ENGINE MOUNTING SLTX B964590 and Intl. SLTX I964590 (4935783578B001)
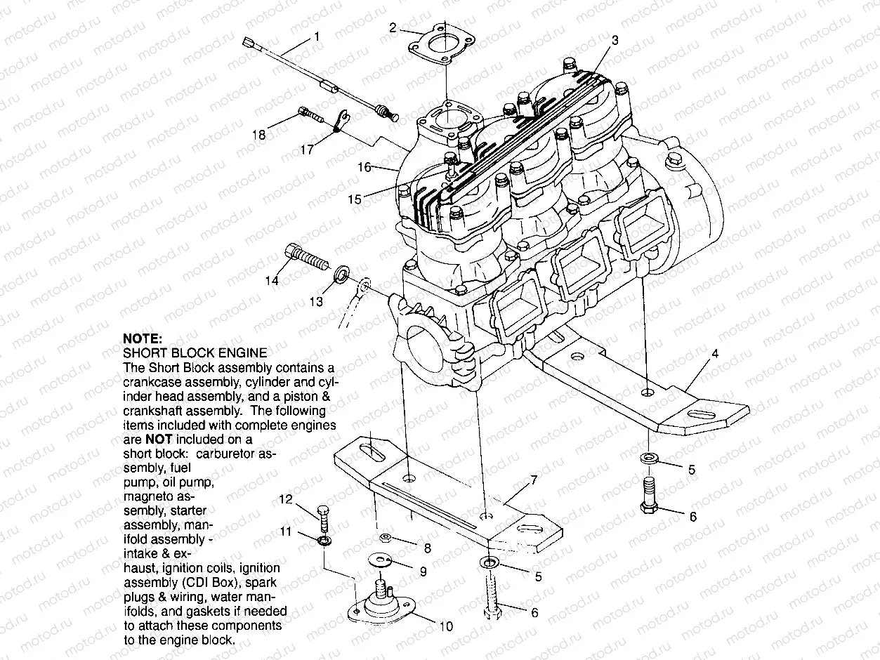
1
4110220
SENSOR,TEMPERATURE
Цена по
запросу
2
5830051
Exhaust gasket
Цена по
запросу
3
7075383
Gebruik / Utilisez 7172605
Цена по
запросу
4
5630585
PLATE,F.MOUNT Substituted by 5631128
Цена по
запросу
5
7555956
WASHER,FLAT
Цена по
запросу
6
7512573
BOLT, S.S.(10)
Цена по
запросу
7
5630584
PLATE,R.MOUNT Substituted by 5631129
Цена по
запросу
8
7547001
Nut
Цена по
запросу
9
5211727
SHIM ENG.MT.
Цена по
запросу
10
3110055
MT,ENG,ANTI-ROTATION Substituted by 3021103
Цена по
запросу
11
7552610
Rondelle (Lock)
Цена по
запросу
12
7515361
BOLT, S.S.(10)
Цена по
запросу
13
7552613
Rondelle (Lock)
Цена по
запросу
14
7516809
BOLT(10)
Цена по
запросу
15
3070174
Bougie d'allumage
Цена по
запросу
16
2200823
KIT,SHT.BLK.(1050 TRIPLE) [No Longer Available]
Цена по
запросу
17
5240876
CLIP,RETAIN,TEMP.SW.
Цена по
запросу
18
7516603
BOLT(1)
Цена по
запросу

Узлы для